Curiosii for ever!: Car repair manuals for everyone.

Electronic/Powertrain Control Module (ECM/PCM)

NOTE: The first character of each PCM pin number in the following diagrams indicates the color of the connector (B - BLACK; G- GREEN).

Engine Management Wiring Diagram (1 Of 3):





Part 1 of 3

PIN # - CIRCUIT


BC15 - Injector #1
BD16 - Injector #2
BC12 - Injector #3
BC14 - Injector #4
BC16 - Injector #5
BD15 - Injector #6
BB8 - Knock Sensor (ESC)
GD7 - Vehicle Speed Sensor (VSS) 4K/mi (ride control)
GD11 - Vehicle Speed Sensor (VSS) 2K/mi (chime module)
GD5 - PCM Fuel Enable
GC5 - Canister Purge
GD1 - Cruise Light (if equipped)
GC7 - Hot Light
BD4 - Heated Windshield Request
BD14 - Ignition #1 (ign. "ON")
BD14 - Mass Air Flow Sensor (MAF)
GC14 - Idle Air Control Valve (IAC-B-High)
GC13 - Idle Air Control Valve (IAC-B-Low)
GC11 - Idle Air Control Valve (IAC-A-High)
GC12 - Idle Air Control Valve (IAC-A-Low)
BC7 - Electronic Spark Timing (EST)
BC11 - Fuel Control
BC8 - Reference Low
BA12 - Cam Signal
BC6 - Bypass (EST)
GD6 - Spark Reference



Engine Management Wiring Diagram (2 Of 3):





Part 2 of 3

PIN # - CIRCUIT

BB9 - Coolant Temperature Sensor
BA8 - Sensor Ground
BB10 - Throttle Position Sensor Signal
BB3 - +5 Volt Reference
BB7 - Intake Air Temperature Sensor Signal
BA7 - Sensor Ground
BD3 - Oxygen Sensor Signal
BD2 - Oxygen Sensor Signal Ground
BB6 - Ground
GC15 - [1][2]Torque Converter Clutch - Pulse Width Modulated (TCC-PWM) Solenoid
GD16 - Shift Solenoid "A"
GD15 - Shift Solenoid "B"
GC6 - [1][2]Torque Converter Clutch Apply Solenoid
BA5 - Brake Switch Input (TCC - "OFF")
GC16 - Serial Data Jumper (to BD1)
BD1 - Serial Data Jumper (to GC16)
BB11 - Diagnostic lead (ALDL)
GC1 - Service Engine Soon (SES) Light
GD10 - 4 K/M Speed output (to Speedo)
BC2 - Serial Data (to SIR - DERM)
BC5 - Serial Data (ALDL)
GD14 - Vehicle Speed Sensor (high)
GD13 - Vehicle Speed Sensor (low)
BD8 - PRNDL "A"
BD7 - PRNDL "B"
BD6 - PRNDL "C"
BD5 - PRNDL "P"
BC4 - Fuel Pump Relay



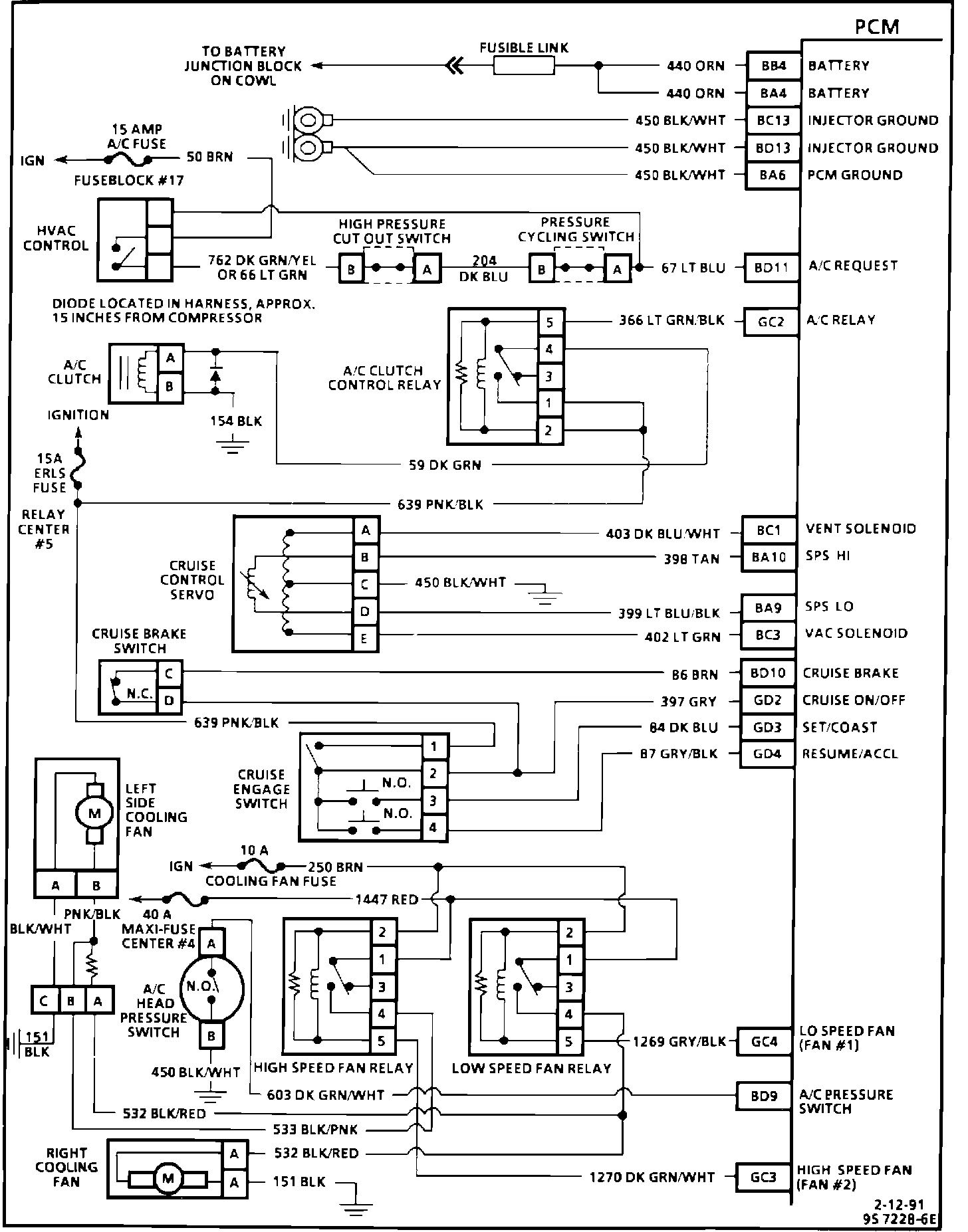
Engine Management Wiring Diagram (3 Of 3):





Part 3 of 3

PIN # - CIRCUIT


BB4 - Battery
BA4 - Battery
BC13 - Injector Ground
BD13 - Injector Ground
BA6 - PCM Ground
BD11 - A/C Request
GC2 - A/C Relay (compressor clutch)
BC1 - Cruise Control Vent Solenoid
BA10 - SPS High
BA9 - SPS Low
BC3 - Cruise Control Vacuum Solenoid
BD10 - Cruise Control Brake Signal (Cruise "OFF")
GD2 - Cruise Control "ON" - "OFF"
GD3 - Cruise Control "SET/COAST"
GD4 - Cruise Control "RESUME/ACCL"
GC4 - Low Speed Fan (Fan #1)
BD9 - A/C Head Pressure Switch
GC3 - High Speed Fan (Fan #2)