Curiosii for ever!: Car repair manuals for everyone.

Electronic/Powertrain Control Module (ECM/PCM)

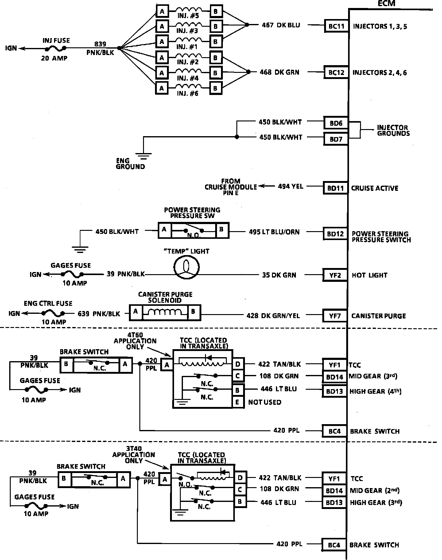
ECM Wiring Diagram (Part 1 Of 3):







YE16 = CTS SIGNAL
BB6 = SENSOR GROUND
YF13 = TPS SIGNAL
BA4 = 5V REFERENCE
YE14 = O2 SIGNAL
YE15 = O2 GROUND
BB10 = VSS HI
BB9 = VSS LOW
YE8 = COOLING FAN RELAY
BC9 = A/C REQUEST
YF8 = A/C RELAY
BB11 = 4K/MI VSS OUT
BB12 = 2K/MI VSS OUT



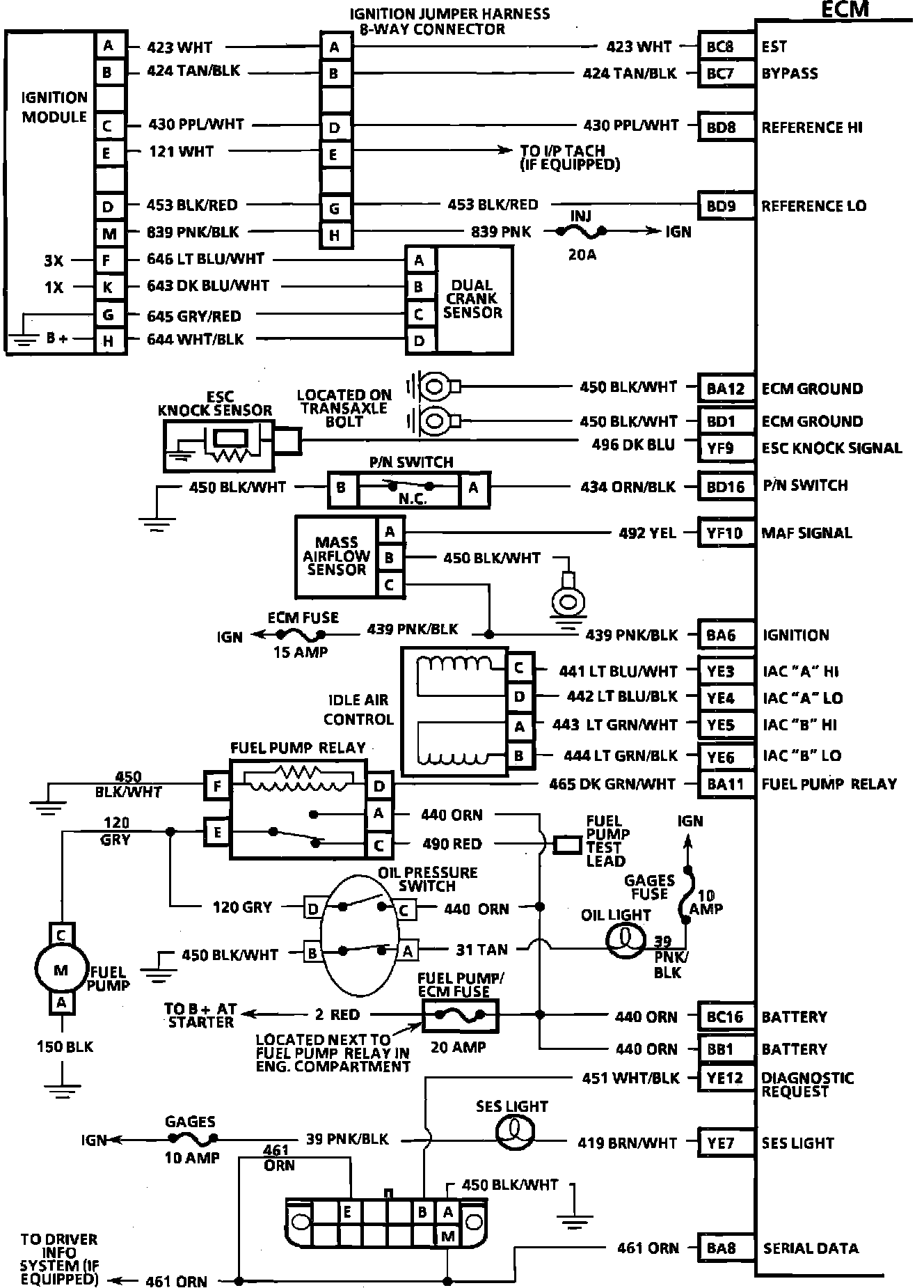
ECM Wiring Diagram:







BC11 = INJECTORS 1,3,5
BC12 = INJECTORS 2,4,6
BD6 = INJECTOR GROUND
BD7 = INJECTOR GROUND
BD11 = CRUISE ACTIVE
BD12 = POWER STEERING PRESSURE SWITCH
YF2 = HOT LIGHT
YF7 = CANISTER PURGE
-------------------------------------------------
YF1 = TCC
BD14 = MID GEAR (3RD)
BD13 = HIGH GEAR (4TH)
BC4 = BRAKE SWITCH
-------------------------------------------------
YF1 = TCC
BD14 = MID GEAR (2ND)
BD13 = HIGH GEAR (3RD)
BC4 = BRAKE SWITCH



ECM Wiring Diagram:







BC8 = EST
BC7 = BYPASS
BD8 = REFERENCE HI
BD9 = REFERENCE LO
BA12 = ECM GROUND
BD1 = ECM GROUND
YF9 = ESC KNOCK SIGNAL
BD16 = P/N SWITCH
YF10 = MAF SIGNAL
BA6 = IGNITION
YE3 = IAC "A" HI
YE4 = IAC "A" LO
YE5 = IAC "B" HI
YE6 = IAC "B" LO
BA11 = FUEL PUMP RELAY
BC16 = BATTERY
BB1 = BATTERY
YE12 = DIAGNOSTICS REQUEST
YE7 = SES LIGHT
BA8 = SERIAL DATA