Curiosii for ever!
: Car repair manuals for everyone.
Home
>>
Buick
>>
1992
>>
Century L4-151 2.5L VIN R TBI
>>
Repair and Diagnosis
>>
Powertrain Management
>>
Computers and Control Systems
>>
Relays and Modules - Computers and Control Systems
>>
Engine Control Module
>>
Locations
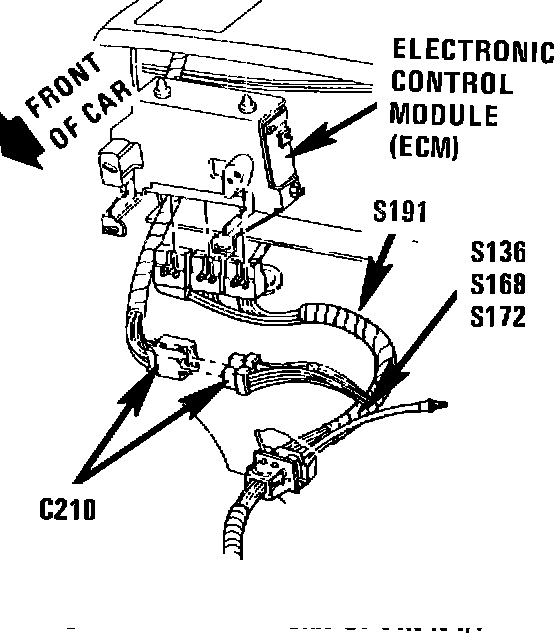
Engine Control Module: Locations
Component Location View Behind RH Side of VIN N I/P:
Behind RH side of I/P, behind I/P compartment