Curiosii for ever!
: Car repair manuals for everyone.
Home
>>
Buick
>>
1989
>>
Regal V6-191 3.1L
>>
Repair and Diagnosis
>>
Diagrams
>>
Components
>>
Miscellaneous Components
>>
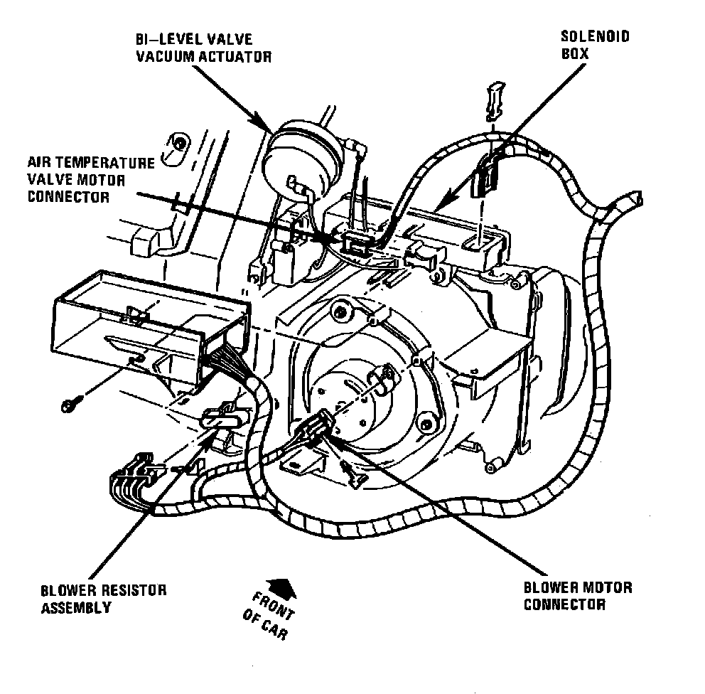
Blower Resistor Assembly
Blower Resistor Assembly
Bi-Level Valve Vacuum Actuator:
Behind RH Side Of I/P, In Plenum
Applicable to: Regal & Lumina