Curiosii for ever!: Car repair manuals for everyone.

Rotating Engine Assembly

Rotating Engine:




REMOVE OR DISCONNECT
1. Put transaxle in neutral
2. Air cleaner assembly
3. Negative battery cable
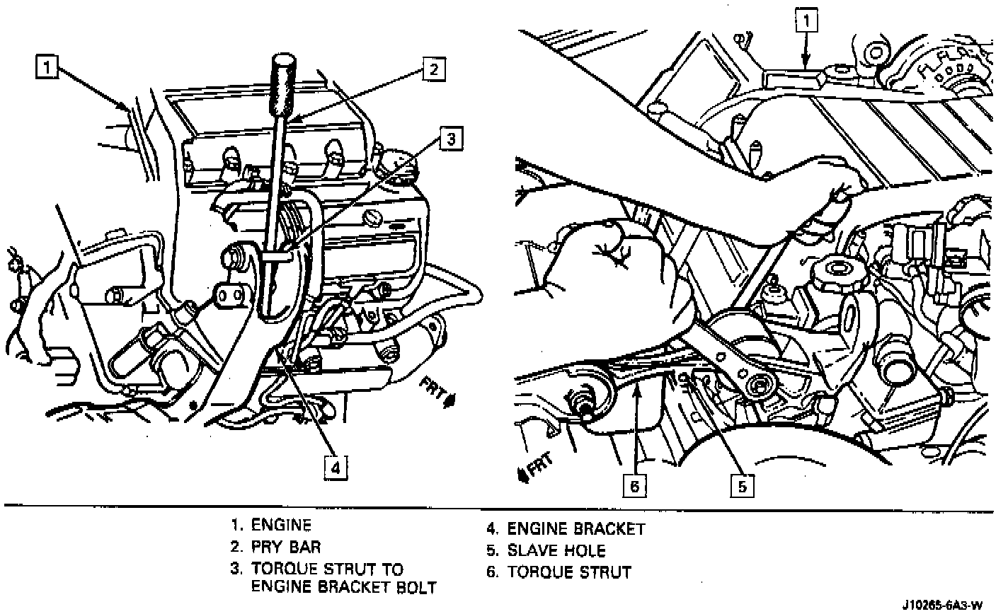
4. Torque strut to engine bracket bolts and swing torque struts aside
5. Replace passenger side torque strut to engine bracket bolt in engine bracket
6. Coolant recovery bottle bolts and set bottle aside
^ Do not remove coolant recovery bottle hoses.
7. Place a pry bar in the bracket so that it contacts the bracket and the bolt.
8. Rotate engine by pulling forward on pry bar.
9. Align slave hole in the driver side torque strut to the engine bracket hole.
10. Retain the engine in this position using the torque strut to engine bracket bolt.

INSTALL OR CONNECT
1. Pulling forward on pry bar to relieve engine weight, remove driver side torque strut to engine bracket bolt from torque strut slave hole and engine bracket.
2. Allow engine to rotate back to its original position.
3. Remove pry bar.
4. Coolant recovery bottle
5. Remove passenger side torque strut to engine bracket bolt from bracket.
6. Torque struts. Tighten torque strut to engine bracket bolt to 43 Nm (32 lbs. ft.).