Curiosii for ever!
: Car repair manuals for everyone.
Home
>>
Buick
>>
1989
>>
Century L4-151 2.5L
>>
Repair and Diagnosis
>>
Diagrams
>>
Electrical Diagrams
>>
Powertrain Management
>>
System Diagram
>>
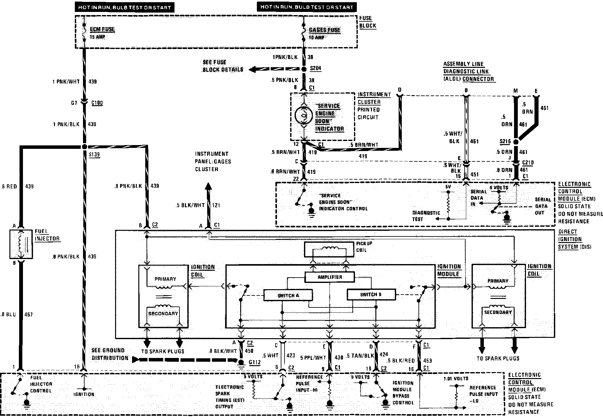
Ignition Controls
Ignition Controls
Electronic Fuel Injection: Ignition And Service Engine Soon Indicator: