Curiosii for ever!
: Car repair manuals for everyone.
Home
>>
Buick
>>
1988
>>
Skyhawk L4-121 2.0L VIN 1 TBI
>>
Repair and Diagnosis
>>
Specifications
>>
Mechanical Specifications
>>
Engine
>>
System Specifications
System Specifications
Torque Specifications:
Engine Specifications:
Engine Specifications:
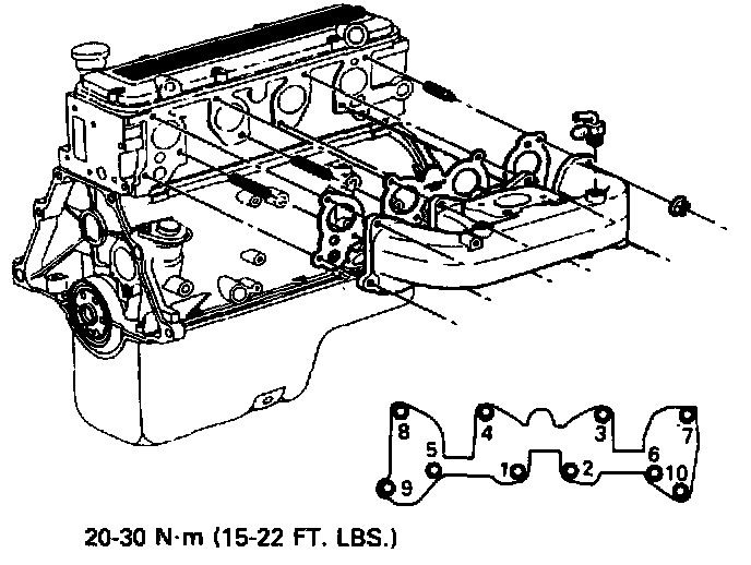
Intake Manifold Torque Sequence:
Cylinder Head Torque Sequence: