Curiosii for ever!
: Car repair manuals for everyone.
Home
>>
Buick
>>
1988
>>
Regal V6-173 2.8L
>>
Repair and Diagnosis
>>
Diagrams
>>
Exploded Views
>>
Automatic Transmission/Transaxle
>>
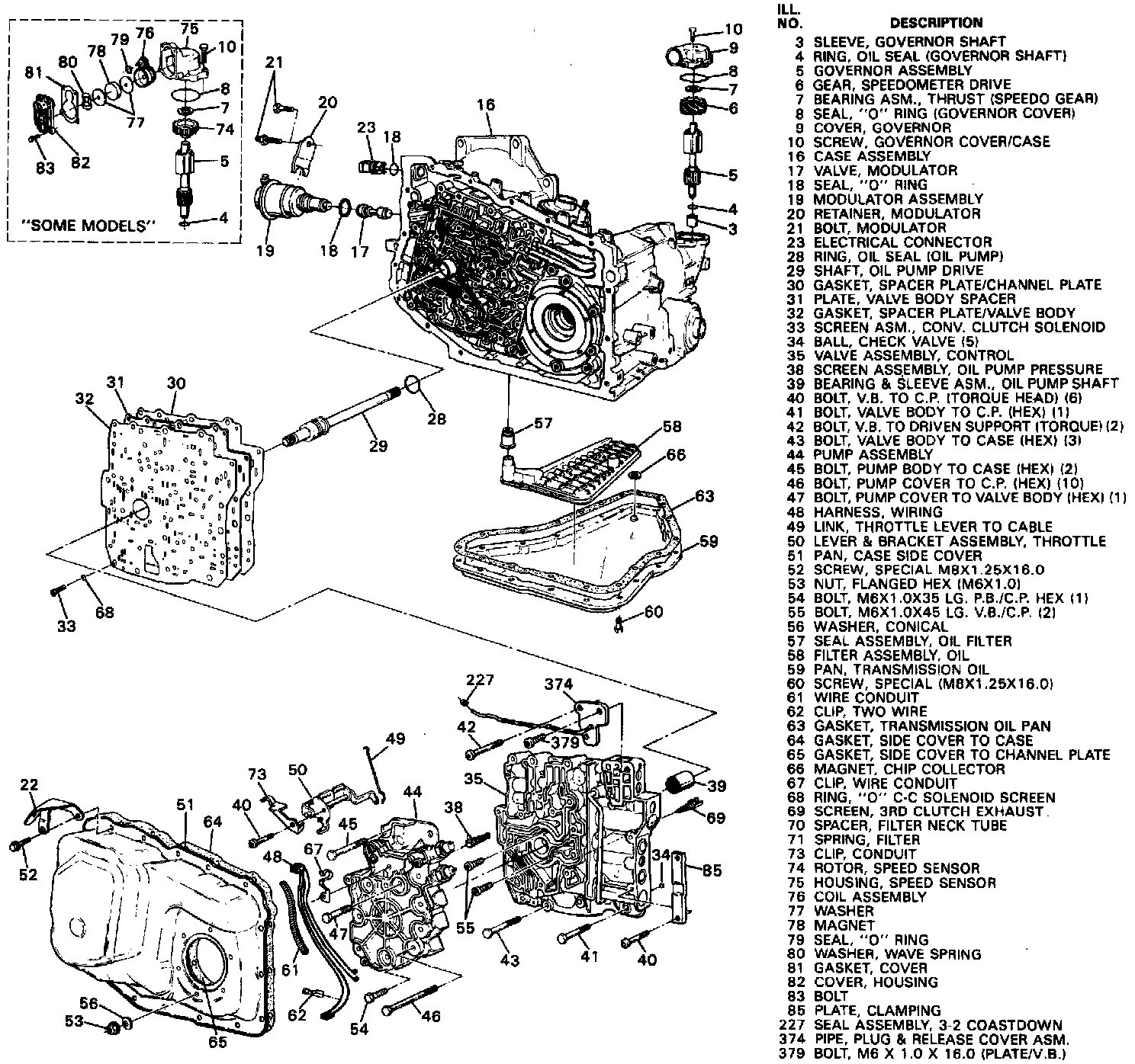
440-T4 Automatic Transaxle
440-T4 Automatic Transaxle