Curiosii for ever!
: Car repair manuals for everyone.
Home
>>
Buick
>>
1988
>>
Reatta V6-231 3.8L VIN C SFI
>>
Repair and Diagnosis
>>
Relays and Modules
>>
Relays and Modules - Powertrain Management
>>
Relays and Modules - Computers and Control Systems
>>
Body Control Module
>>
Testing and Inspection
>>
Trouble Code Diagnosis
Trouble Code Diagnosis
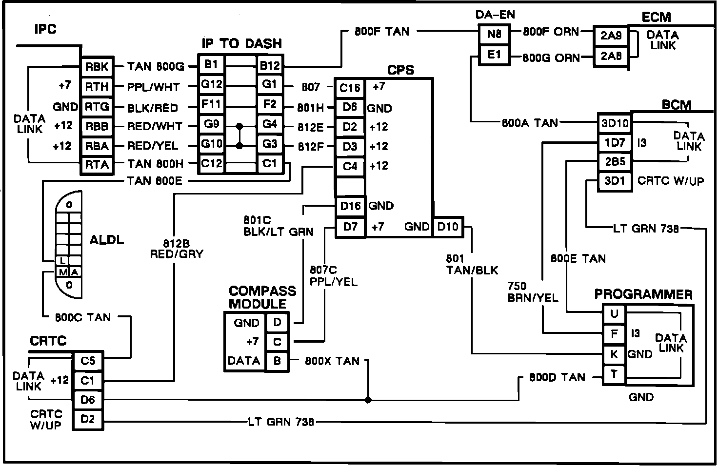
Data Circuit:
Multiple Codes (Part 1 Of 2):
Multiple Codes (Part 2 Of 2):