Curiosii for ever!
: Car repair manuals for everyone.
Home
>>
Buick
>>
1988
>>
LeSabre Estate Wagon V8-307 5.0L
>>
Repair and Diagnosis
>>
Powertrain Management
>>
Diagrams
>>
Electrical Diagrams
>>
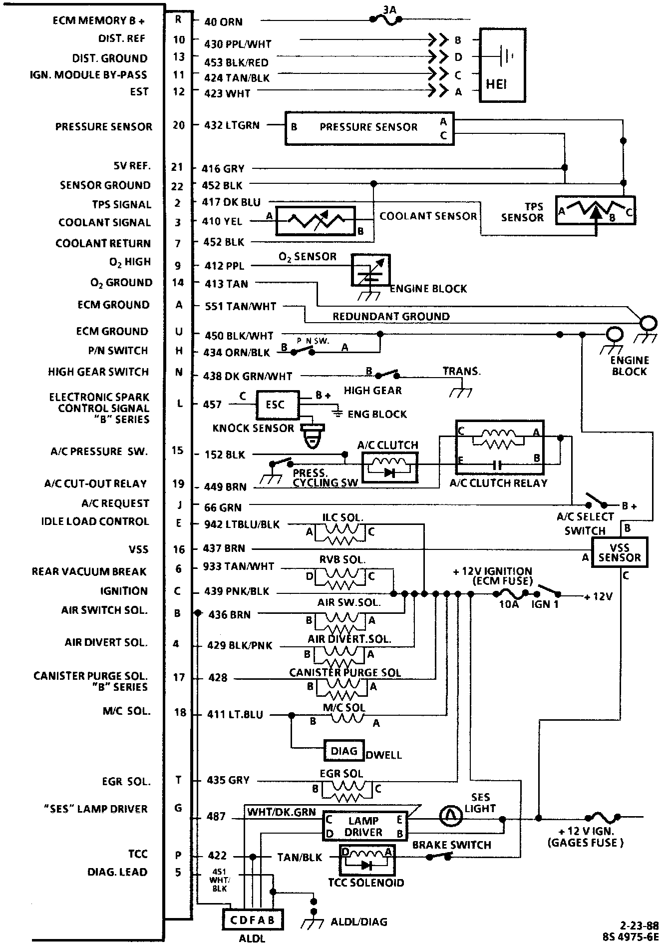
Electronic/Powertrain Control Module (ECM/PCM)
Electronic/Powertrain Control Module (ECM/PCM)
ECM Wiring Diagram: