Curiosii for ever!
: Car repair manuals for everyone.
Home
>>
Buick
>>
1988
>>
Century V6-173 2.8L
>>
Repair and Diagnosis
>>
Powertrain Management
>>
Diagrams
>>
Electrical Diagrams
>>
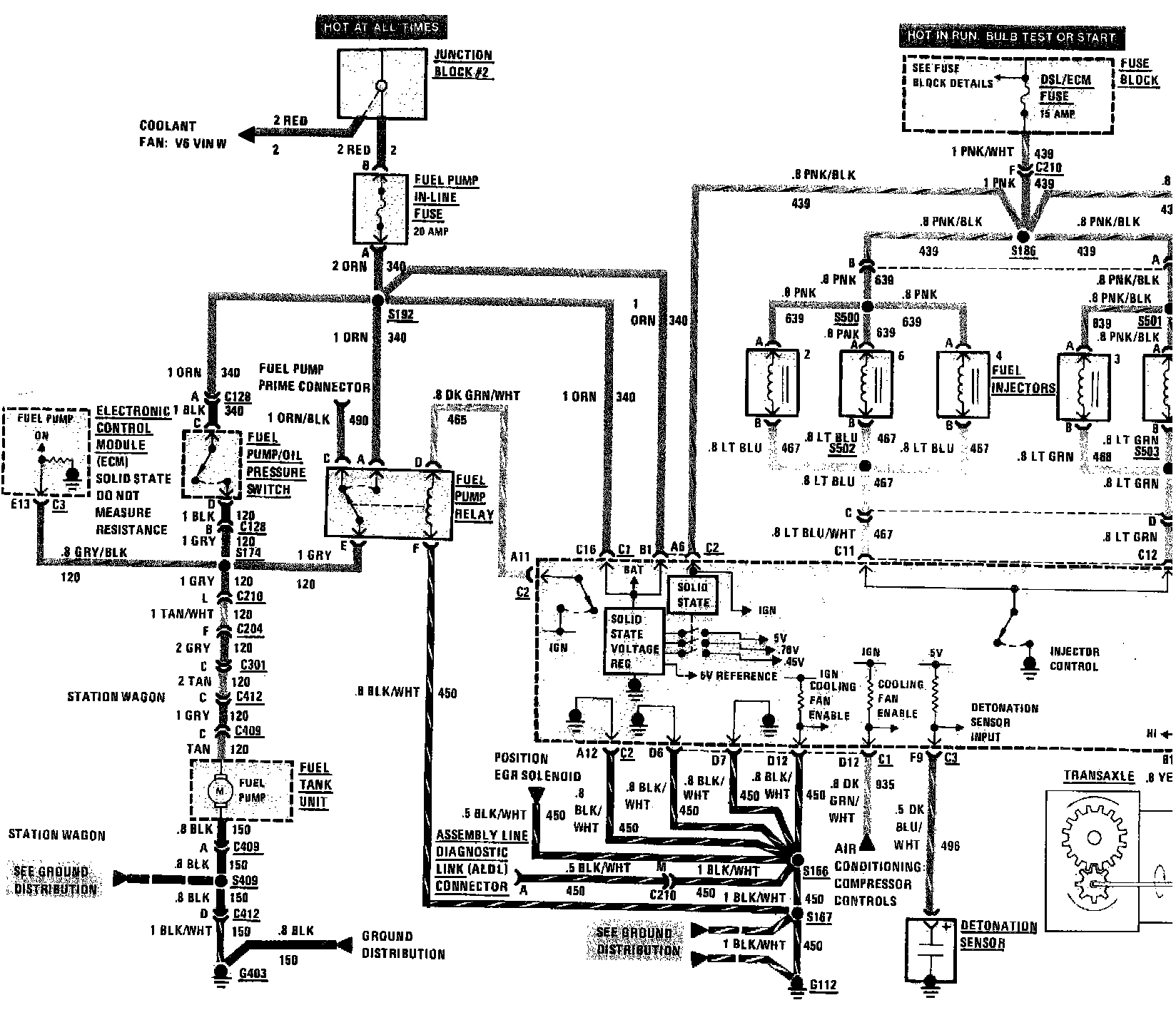
Engine Controls
Engine Controls
83 0: