Knock Sensor: Testing and Inspection
Chart C-5 - Electronic Spark Control (ESC):
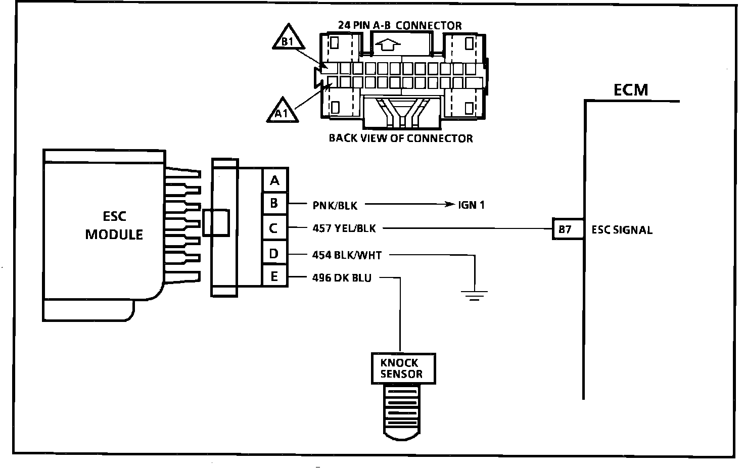
Wiring Diagram for Chart C-5 - Electronic Spark Control (ESC):
CHART C-5 - ELECTRONIC SPARK CONTROL (ESC)
Circuit Description:
Electronic spark control is accomplished with a module that sends a voltage signal to the ECM. As the knock sensor detects engine knock, the voltage from the ESC module to the ECM is shut "OFF" and this signals the ECM to retard timing.
Test Description: Numbers below refer to circled numbers on the diagnostic chart.
Road test procedure:
Road test with engine at normal operating temperature, diagnostic terminal grounded and "Service Engine Soon" light flashing "Closed Loop." Note "Service Engine Soon" light on normal to heavy acceleration from 30-40 mph. If ESC is OK, the "Service Engine Soon" light will flash 5 times per second for 3 seconds.
1. Engine timing is higher than normal in the Field service mode (diagnostic terminal grounded and engine running) assuring spark knock on acceleration. A knock sensor that is OK will sense the knock and pull CKT 457 voltage low causing spark to retard. The ECM will respond and flash the "Service Engine Soon" light.
Shop Test Procedure:
2. To see if ESC can detect knock and retard the timing without road test.
3. By disconnecting the ESC module, the ECM sees low voltage at terminal "B7" and should retard timing. After approximately 4 seconds, "Service Engine Soon" light will come "ON" and Code 43 will be stored.
4. Checks for proper voltage output (measured on AC scale) of knock sensor. Low or no voltage would indicate an open circuit to terminal "E" or faulty sensor.
5. Checks to see if constant retard is due to a faulty knock sensor or module, or if a false voltage signal is being transmitted on the wire from the knock sensor by induction from an adjacent wire, such as a spark plug wire, ignition wire, etc. Reroute wires as necessary.