Curiosii for ever!
: Car repair manuals for everyone.
Home
>>
Buick
>>
1984
>>
Regal V6-252 4.1L
>>
Repair and Diagnosis
>>
Power and Ground Distribution
>>
Diagrams
>>
Electrical Diagrams
>>
Ground Distribution
>>
Instrument Panel Circuits
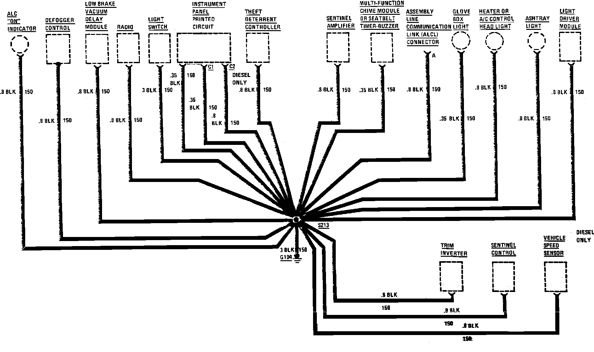
Instrument Panel Circuits
Ground Distribution (Instrument Panel Circuit):