Curiosii for ever!: Car repair manuals for everyone.

Heater Core: Service and Repair

Fig. 13 Heater module assembly exploded view. 1982---87 Regal less A/C:





1982---87 REGAL
Less Air Conditioning
1. Disconnect battery ground cable and partially drain cooling system.
2. Disconnect hoses from heater core, then the electrical connectors.
3. Remove front module retaining screws and module cover.
4. Remove heater core, Fig. 13.
5. Reverse procedure to install.


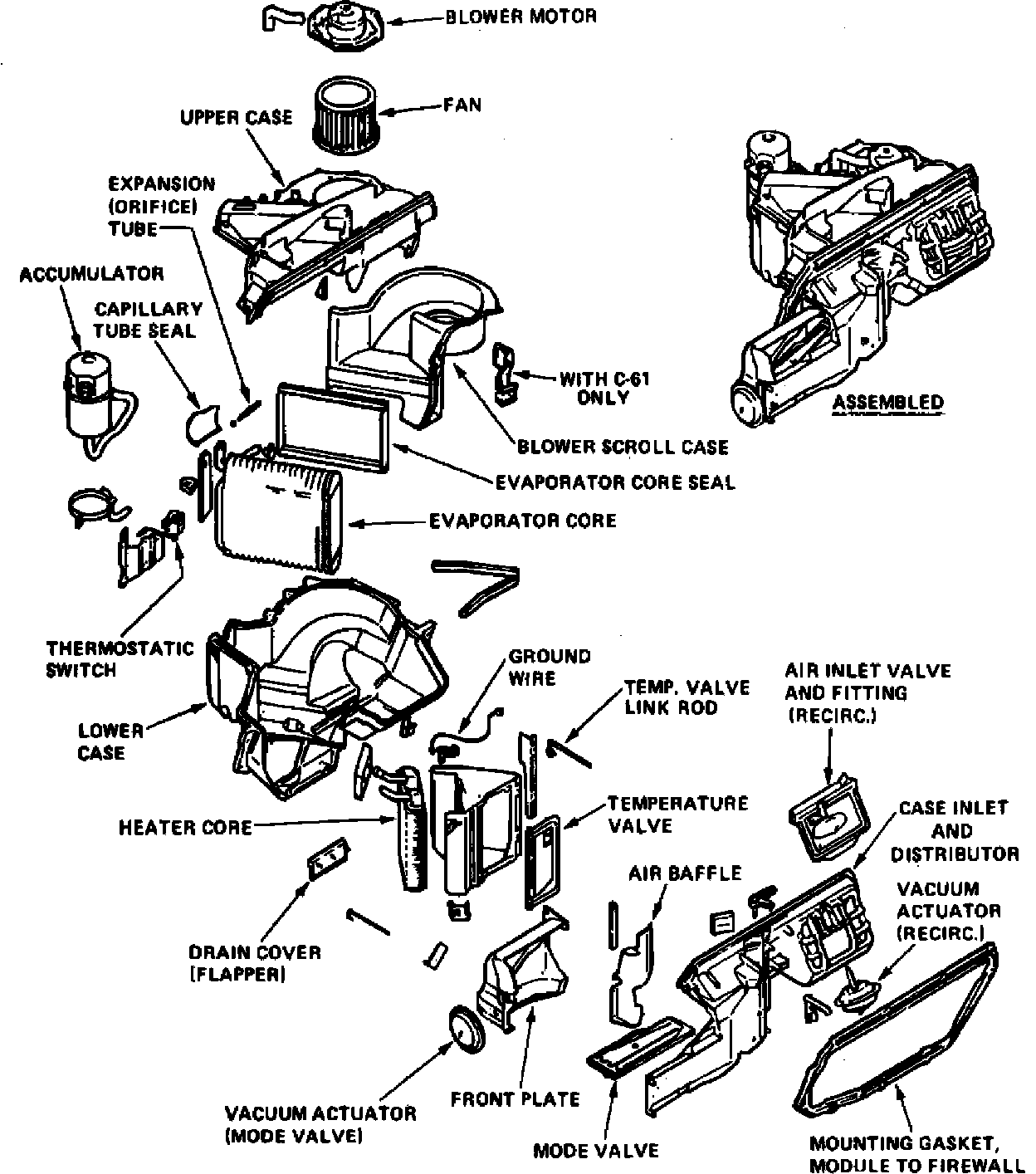
Fig. 14 Heater module assembly exploded view. 1982---87 Regal with A/C:





W/Air Conditioning
1. Disconnect battery ground cable and partially drain cooling system.
2. Disconnect hoses from heater core, then the electrical connectors from module.
3. Remove retaining bracket, ground strap, module rubber seal and screen.
4. Remove righthand windshield wiper arm.
5. Remove retaining screws from diagnostic connector, hi-blower relay and thermostatic switch.
6. Remove module top cover, then heater core, Fig. 14.
7. Reverse procedure to install.