Metering Valve Sensor Check VINS T and V
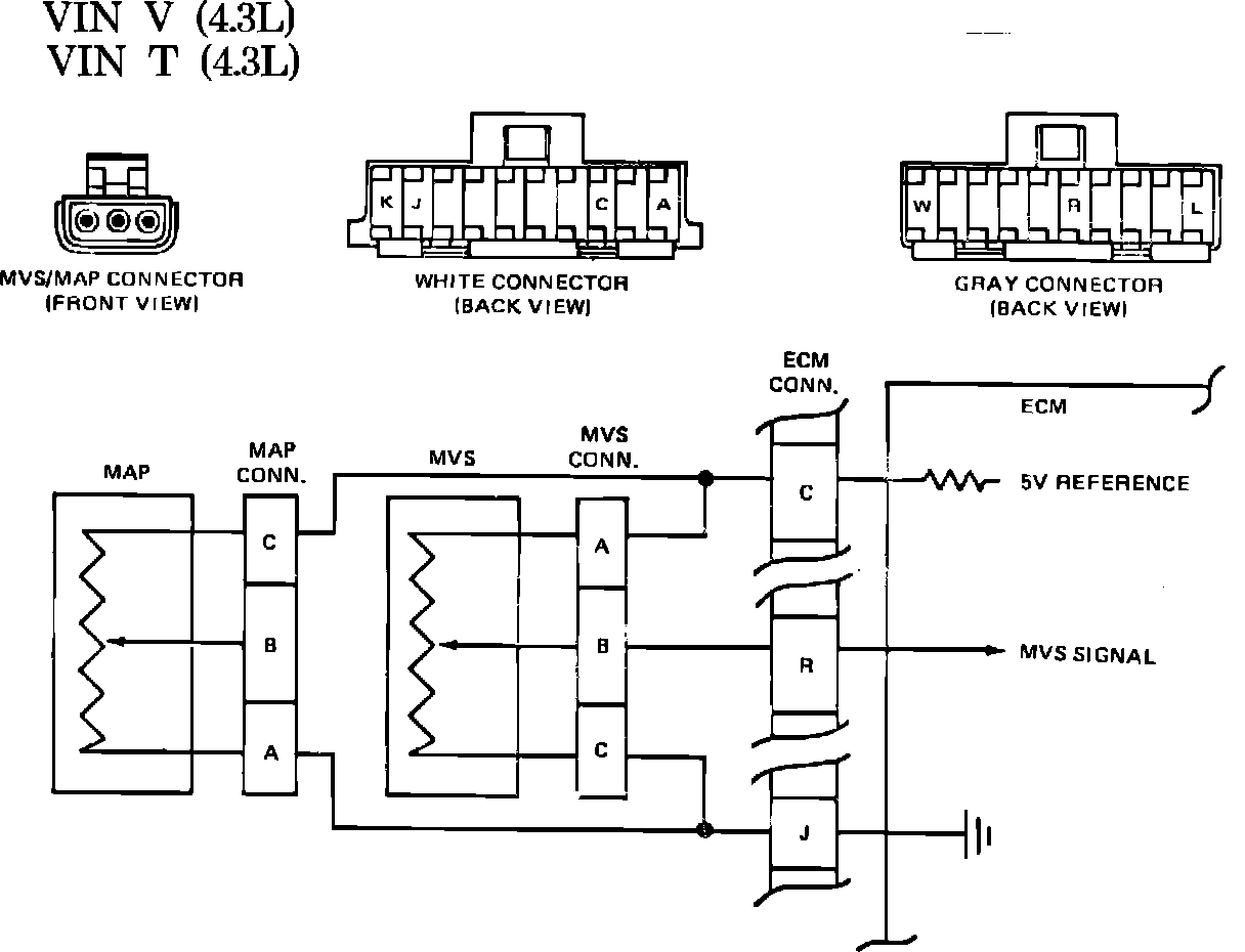
Fig. 018 - WIRING DIAGRAM for Metering Valve Sensor Check. VIN T, VIN V:
METERING VALVE SENSOR CHECK (MVS)
The metering valve sensor is a variable resistor that sends a metering valve position signal to the ECM. The sensor is connected to V-ref. and has the highest resistance at closed throttle. At wide open throttle, the resistance is lowest, and output will be near 5 volts. A failure in the sensor will turn "ON" the CEL at engine RPM below approximately 1500. The light will go "OFF" above 1500 RPM if there is an MVS error. The MVS output is used by the ECM to determine the duty cycle of the EGR. For MVS adjustment or replacement see Section 6C5.
Fig. 017 - Chart For Metering Valve Sensor Check.:
1. Checks for a good V-ref. at MVS connector. Normal range at Terminal "A" is about 5 volts.
2. Checks for a good circuit to ground thru Terminal "J" of ECM. Normal voltage reading is about 5 volts.
3. Checks for an open or grounded circuit from the ECM to the MVS. If there is an open or ground, voltage will be low. A normal circuit will be about 5 volts.
4. Checks for a faulty ECM or faulty wire to MVS connector Terminal "B". Normal voltage at ECM with MVS harness disconnected will be about 5 volts. Low voltage indicates a grounded wire or faulty ECM connection or ECM.