Curiosii for ever!: Car repair manuals for everyone.

Emissions - Calibration and Component Changes

Model Year 1983

Bulletin No. 83-168

File in Group 64A

Number 22

Date Aug. '83
SUBJECT: 1983 1/2 3.0L RECALIBRATION, VIN CODE E, LK9

MODELS AFFECTED: ALL FEDERAL AND CALIFORNIA 1983 CENTURYS BEGINNING WITH VIN D6 415302 and DD 444821
Several calibration and component changes have been released for production. These new component parts are not to be used on vehicles with VIN's prior to the above break points.

Component changes: - Electric EFE
- 19 cu.in. Air Pump
- ECM
- PROM
- Final Drive Ratios
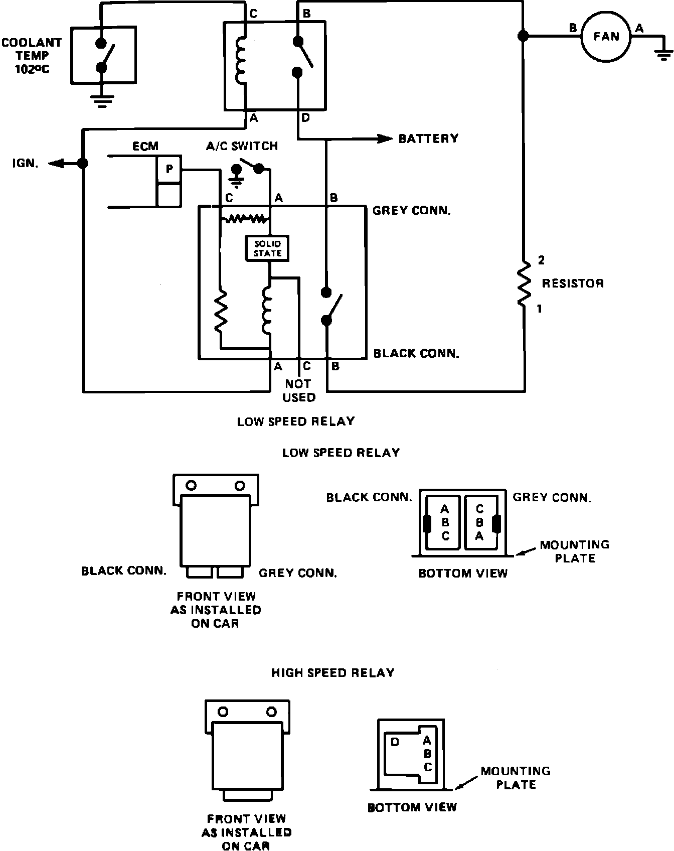
- Two (2) Speed 150 Watt Cooling Fan
- Carburetor Assembly
- EGR Solenoid and EGR Valve Asm.
- Air Conditioning Cutouts

EFE (ELECTRICALLY HEATED) CHECK:




Electric EFE - Early Fuel Evaporation

An electric EFE grid located under the carburetor base plate is controlled by the ECM to turn off when 90~C engine coolant temperature is reached. The new electric EFE replaces the vacuum operated exhaust heat riser EFE used on vehicles prior to the VIN breakpoints. This new EFE eliminates driveability conditions during warm up operation.
A.I.R. - Air Injector Reactor Pump

The new A.I.R. system has nearly the same air output as the system used on prior breakpoint vehicles; however, the A.I.R. pump capacity and pulley sizes (6-3/8" diameter) were changed to effectively reduce the A.I.R. pump drive speed resulting in quieter pump operation.

ECM TERMINAL VOLTAGE:




ECM - Electronic Control Module

The new ECM is a single board unit, part #1226153. Some data stream changes were required. Usage of the ALCL scan tools has changed as follows:

Mixture control solenoid duty cycle. Dwell readings of 0~ at idle and 60~ at part throttle will be seen on some ALCL tools indicating the scan tool is unusable. If these readings are obtained, a standard external dwell meter will be required to obtain the correct dwell readings.

Oxygen sensor voltages when using ALCL scan tool as high as 1.4 volts will be seen when a full rich exhaust condition exists. Previously 1.0 volt maximum read out was seen.

PROM

New PROM's have also been released for 1983-1/2. Part numbers are:

3.0L Federal Century THM 125C - 1226556 3.0L California Century THM 125C - 1226557

Program changes in the PROM have revised calibration for torque converter clutch (TCC) and changed idle quality with new idle speed control logics at idle. It also incorporates a higher base idle speed of 640 RPM, along with a driveability feature, which functions to hold the idle speed higher for a short time.
Air Conditioning System Operation

The PROM turns the air conditioning off when vacuum falls below 6 inches (approximately 80 kPa manifold absolute pressure) for five seconds maximum. If the vacuum exceeds 9 inches approximately 70 kPa manifold absolute pressure) the air conditioning is turned on and the timer reset. The air conditioner cutout function was designed to improve acceleration performance.

When operating the air conditioning and turning the steering to the full right or left lock position, a pressure switch in the power steering line turns off the air conditioning compressor.

Final Drive Ratio

Axle ratios have been changed from 2.53 to 1 to 2.97 to 1 for improvement acceleration and performance.

COOLANT FAN NO HIGH SPEED CHECK:




COOLANT FAN FUNCTIONAL CHECK:




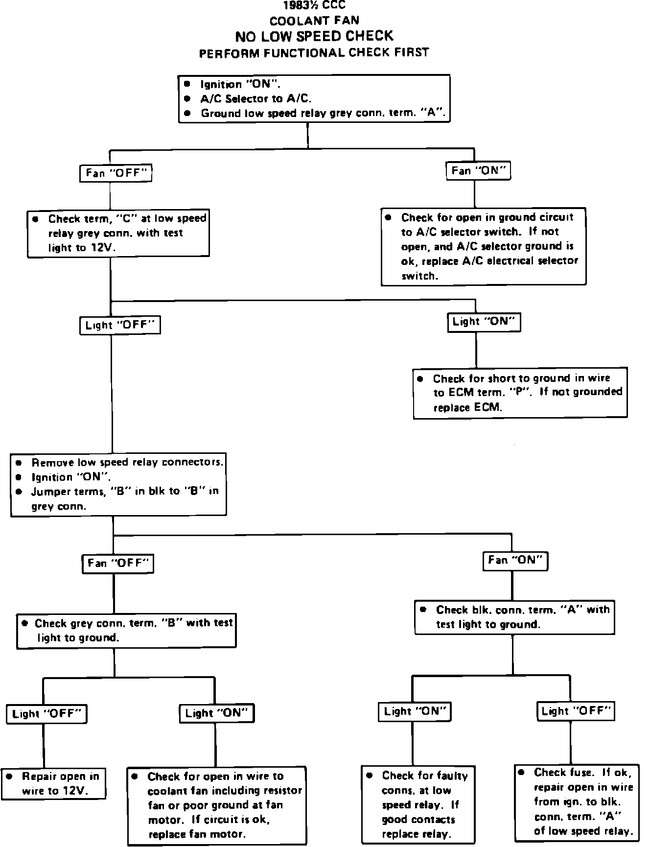
COOLANT FAN NO LOW SPEED CHECK:




HIGH SPEED RELAY:




Two (2) Speed Cooling Fan

This change results in quieter fan operation at low speed and increased cooling at high speeds. Fan speeds are controlled by the ECM VIA inputs from temperature sensor, A/C switch, vehicle speed sensor.
EGR Solenoid and EGR Valve Asm.

EGR solenoid and EGR valve assembly have been changed. EGR solenoid assembly controls only the EGR valve. The previous models controlled EGR and EFE.

Carburetor Specifications

Lean M/C Idle
Carburetor Float Stop Paddle Mixture
Number Setting Screw Travel Needle

17083194 10/32" 1-30 Gauge 4/32 *2
17084193 *3
17084195


Idle Choke Choke Vac Vac Choke
Air Stat Link Break Break and
Bleed Lever Cam Front Rear Loader

1.756 Gauge .120 Gauge 17~ 27~ 25~ 35~
*1


*1. Preset 1.756G, final adjustment on vehicle
*2. Preset 3 turns, final adjustment on vehicle
*3. Gauging Tool J-33815-1 (Brass Bullet)

Fast Idle Specifications

1. Set choke fast idle cam on high step
2. Start engine set fast idle with fast idle adjustment screw to 2400 RPM

Field Service Resetting, Specification for Idle Speed Control

ISC Minimum Idle Procedure

1. Block Drive Wheels
2. Cooling Fan Off
3. Engine in Closed Loop
4. Retract ISC Motor
5. Set Base Idle to 500 RPM in Drive

ISC Maximum Idle Procedure

1. Block Drive Wheels
2. Cooling Fan Off
3. Engine in Closed Loop
4. Fully Extend ISC Motor
5. Set Maximum Idle by Adjusting ISC to 1350 RPM in Drive
Throttle Position Sensor Specifications

1. Retract ISC to Minimum Idle
2. Set T.P.S. Voltage to .57 +/- .01 Volts

Included in this bulletin are updated diagnostic charts for these changes.