Curiosii for ever!: Car repair manuals for everyone.

Heater Core Replacement



Heater Core Replacement

Tools Required

J 38185 Hose Clamp Pliers

Removal Procedure

1. Drain the cooling system. Refer to Draining and Filling Cooling System (Static Fill LZ9) Draining and Filling Cooling System (Vac-N-Fill).




2. Disconnect both of the heater hose clamps at the heater core using the J 38185.
3. Remove the heater hoses from the heater core.

Important: Cap off the heater core inlet and outlet pipes to prevent coolant spilling inside of the vehicle.

4. Cap off the heater core pipes.
5. Remove the heater core cover.




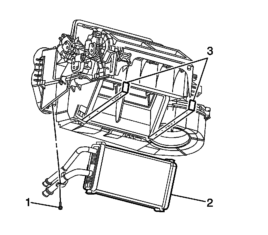
6. Remove the heater core pipe clamp screw.
7. Remove the heater core.

Installation Procedure




1. Install the heater core.

Notice: Refer to Fastener Notice.

2. Install the heater core pipe clamp screw.

Tighten the screw to 1.2 N.m (11 lb in).

3. Install the heater core cover.




4. Install the heater hoses to the heater core.
5. Reposition the heater hose clamps to secure the hoses using the J 38185.
6. Fill the coolant. Refer to Draining and Filling Cooling System (Static Fill LZ9) Draining and Filling Cooling System (Vac-N-Fill).