Curiosii for ever!
: Car repair manuals for everyone.
Home
>>
Buick Truck
>>
2007
>>
Rendezvous V6-3.5L
>>
Repair and Diagnosis
>>
Relays and Modules
>>
Relays and Modules - Brakes and Traction Control
>>
Electronic Brake Control Module
>>
Locations
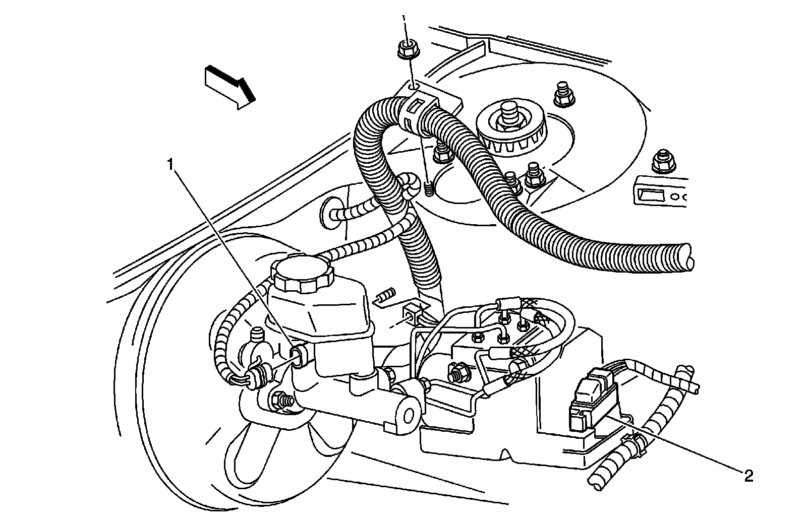
Electronic Brake Control Module: Locations
Hydraulic Brake Component Views
Left Rear of Engine Compartment
Left Rear Of Engine Compartment:
1
- Brake Fluid Level Switch
2
- Electronic Brake Control Module (EBCM)