Curiosii for ever!: Car repair manuals for everyone.

Camshaft Position Sensor: Service and Repair



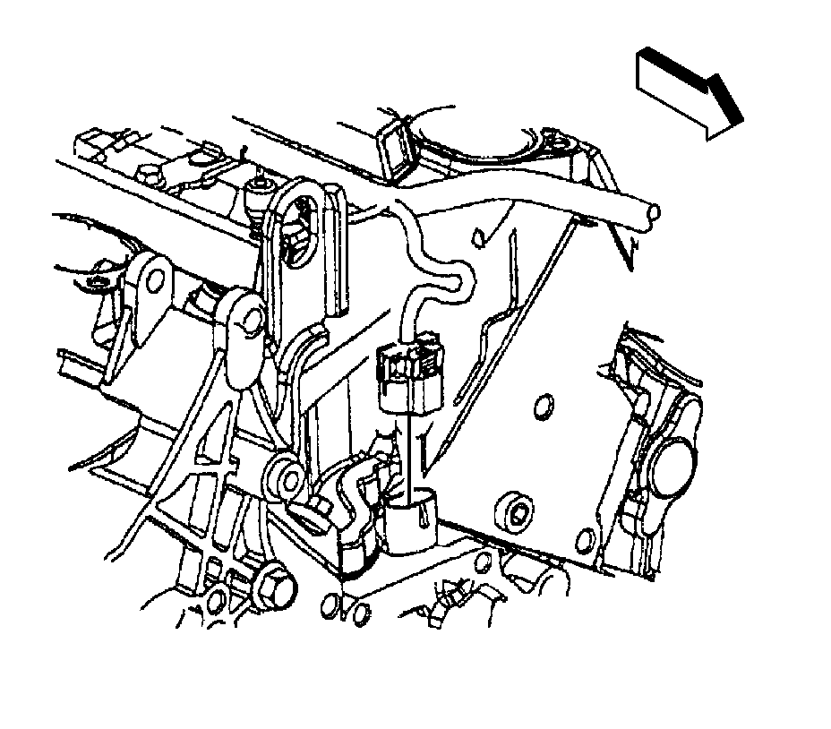
Camshaft Position Sensor Replacement

Removal Procedure




1. Remove the power steering pump.
2. Disconnect the fuel injector harness electrical connector from the camshaft position (CMP) sensor.




3. Remove the CMP sensor bolt.
4. Remove the CMP sensor.
5. Inspect the CMP sensor O-ring for wear or damage if the sensor is not being replaced, replace the seal as necessary.

Installation Procedure




1. Lubricate the sensor O-ring with clean engine oil.
2. Remove the CMP sensor.

Notice: Refer to Fastener Notice.

3. Remove the CMP sensor bolt.

Tighten the bolt to 10 N.m (89 lb ft).




4. Connect the fuel injector harness electrical connector to the CMP sensor.
5. Install the power steering pump.