Curiosii for ever!
: Car repair manuals for everyone.
Home
>>
Buick Truck
>>
2007
>>
Rainier AWD V8-5.3L
>>
Repair and Diagnosis
>>
Powertrain Management
>>
Computers and Control Systems
>>
Coolant Temperature Sensor/Switch (For Computer)
>>
Locations
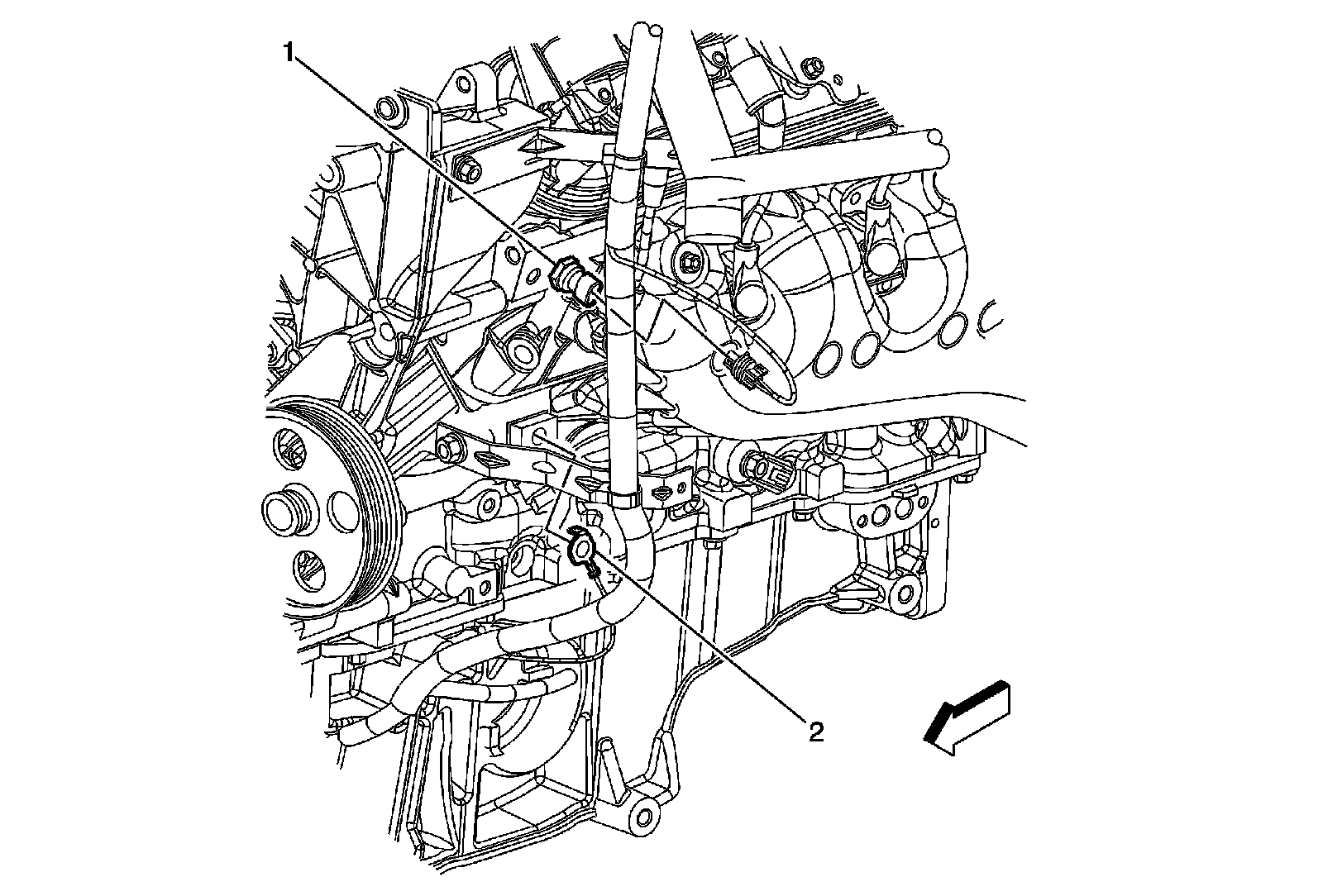
Coolant Temperature Sensor/Switch (For Computer): Locations
Engine Controls Component Views
Left Side of Engine - Front
1
- Engine Coolant Temperature (ECT) Sensor
2
- G108