Camshaft Position Sensor: Service and Repair
Camshaft Position Sensor Replacement
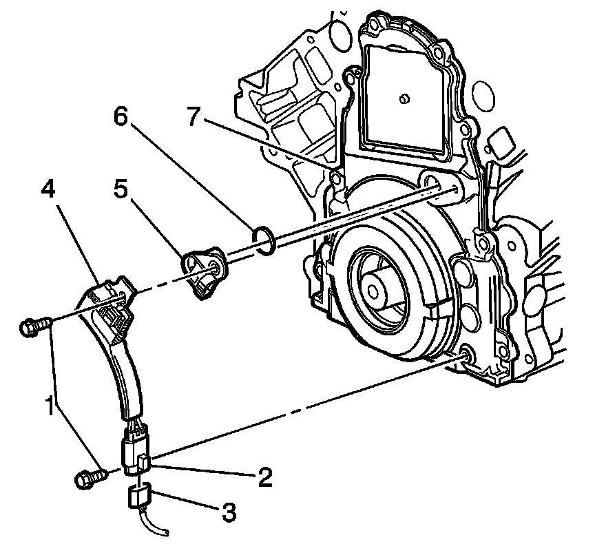
Removal Procedure
1. Remove the generator bracket assembly.
2. Remove the camshaft position sensor mounting bolts (1).
3. Remove the camshaft position sensor assembly (4, 5, 6) from the front cover (7).
4. Disconnect the camshaft position sensor jumper harness (2) and the engine harness (3) electrical connectors.
5. Remove the camshaft sensor assembly (4, 5, 6).
6. Disconnect camshaft position sensor (5) from the jumper harness (4).
Installation Procedure
1. Reconnect the camshaft sensor (5) and the jumper harness (4).
2. Install the O-ring (6) on the camshaft sensor assembly (4, 5).
3. Reconnect the camshaft position sensor assembly (4, 5, 6) and the engine harness connector (3).
Important: Before installing the camshaft sensor assembly, apply a small amount of clean motor oil to the O-ring (6).
4. Install the camshaft position sensor assembly (4, 5, 6) in the front cover (7).
Notice: Refer to Fastener Notice.
5. Install the camshaft position sensor mounting bolts.
Tighten the camshaft position mounting bolts 25 N.m (18 lb ft).
6. Install the generator assembly.