Curiosii for ever!
: Car repair manuals for everyone.
Home
>>
Buick Truck
>>
2007
>>
Rainier AWD L6-4.2L
>>
Repair and Diagnosis
>>
Specifications
>>
Mechanical Specifications
>>
Cooling System
>>
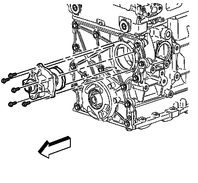
Water Pump
>>
System Specifications
System Specifications
Water Pump Bolt
10 N.m (89 lb in)