Curiosii for ever!
: Car repair manuals for everyone.
Home
>>
Buick Truck
>>
2007
>>
Rainier AWD L6-4.2L
>>
Repair and Diagnosis
>>
Power and Ground Distribution
>>
Locations
>>
Battery Views
Battery Views
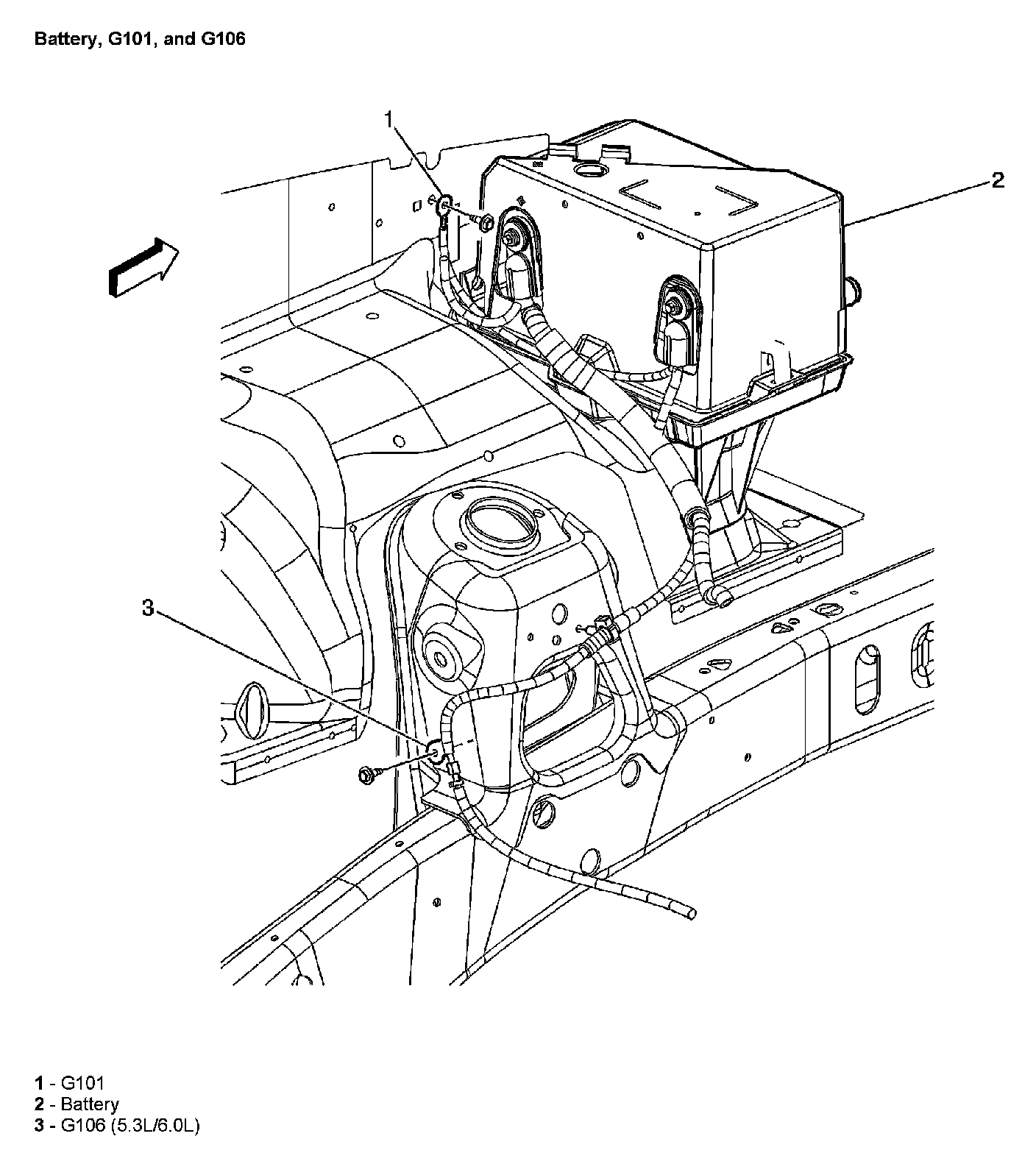
Battery, G101, And G106: