Curiosii for ever!
: Car repair manuals for everyone.
Home
>>
BMW
>>
2012
>>
740i (F01) L6-3.0L Turbo (N54)
>>
Repair and Diagnosis
>>
Powertrain Management
>>
Computers and Control Systems
>>
Information Bus
>>
Diagrams
>>
Function Diagrams
>>
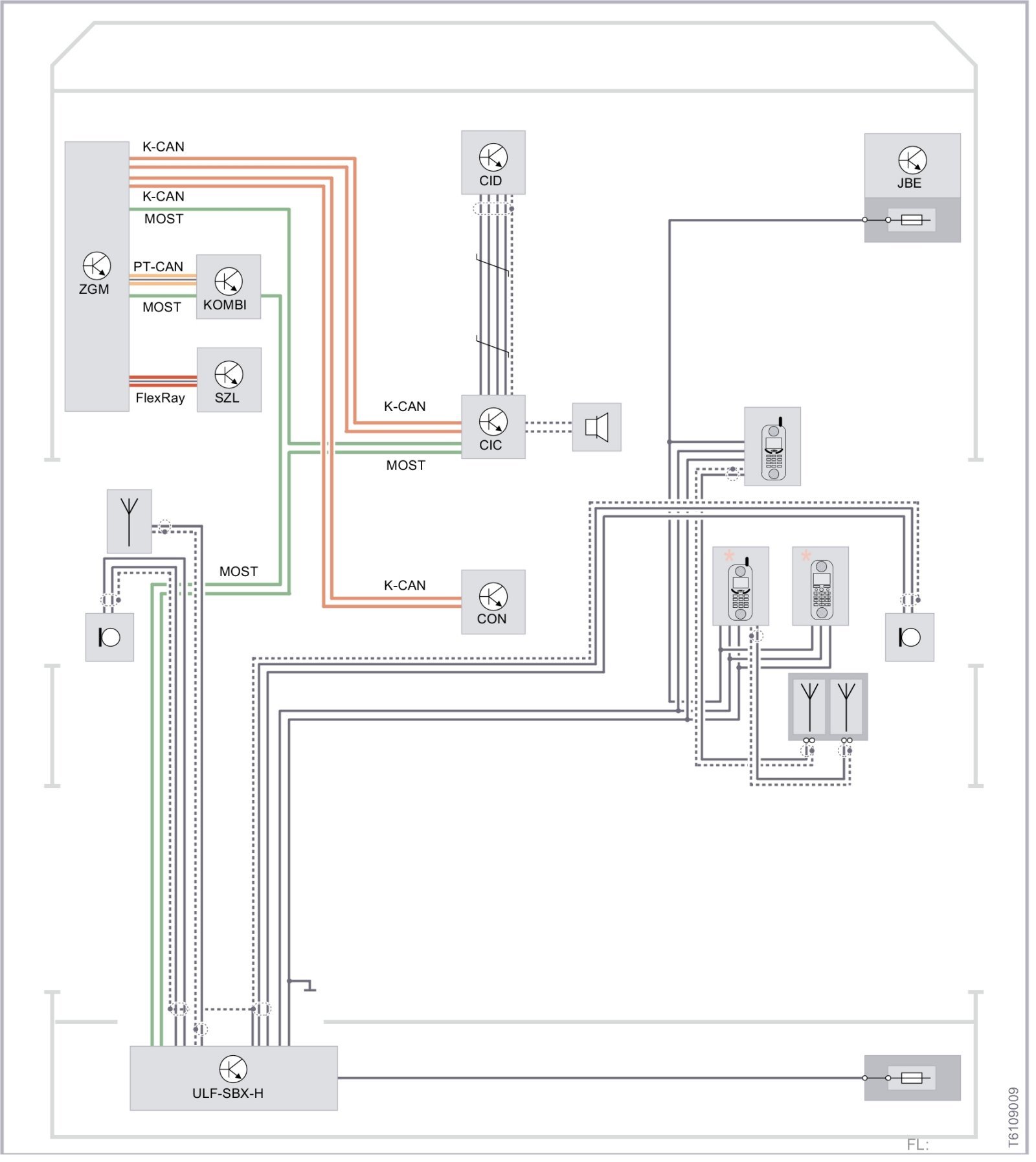
Interface Box High
Interface Box High
Interface Box High