Curiosii for ever!
: Car repair manuals for everyone.
Home
>>
BMW
>>
2009
>>
M3 Convertible (E93) V8-4.0L (S65)
>>
Repair and Diagnosis
>>
Diagrams
>>
Electrical Diagrams
>>
Powertrain Management
>>
Computers and Control Systems
>>
Body Control Module
>>
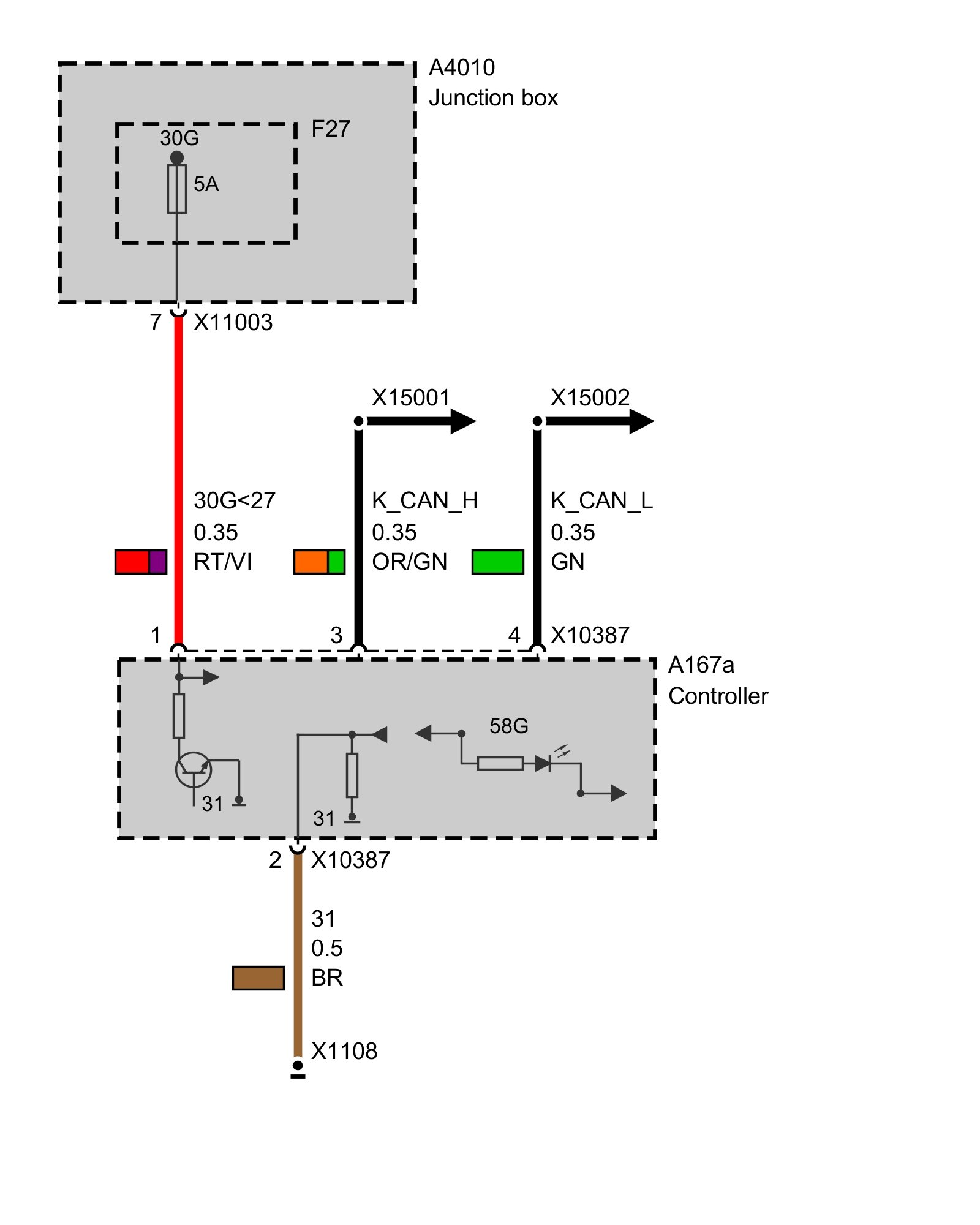
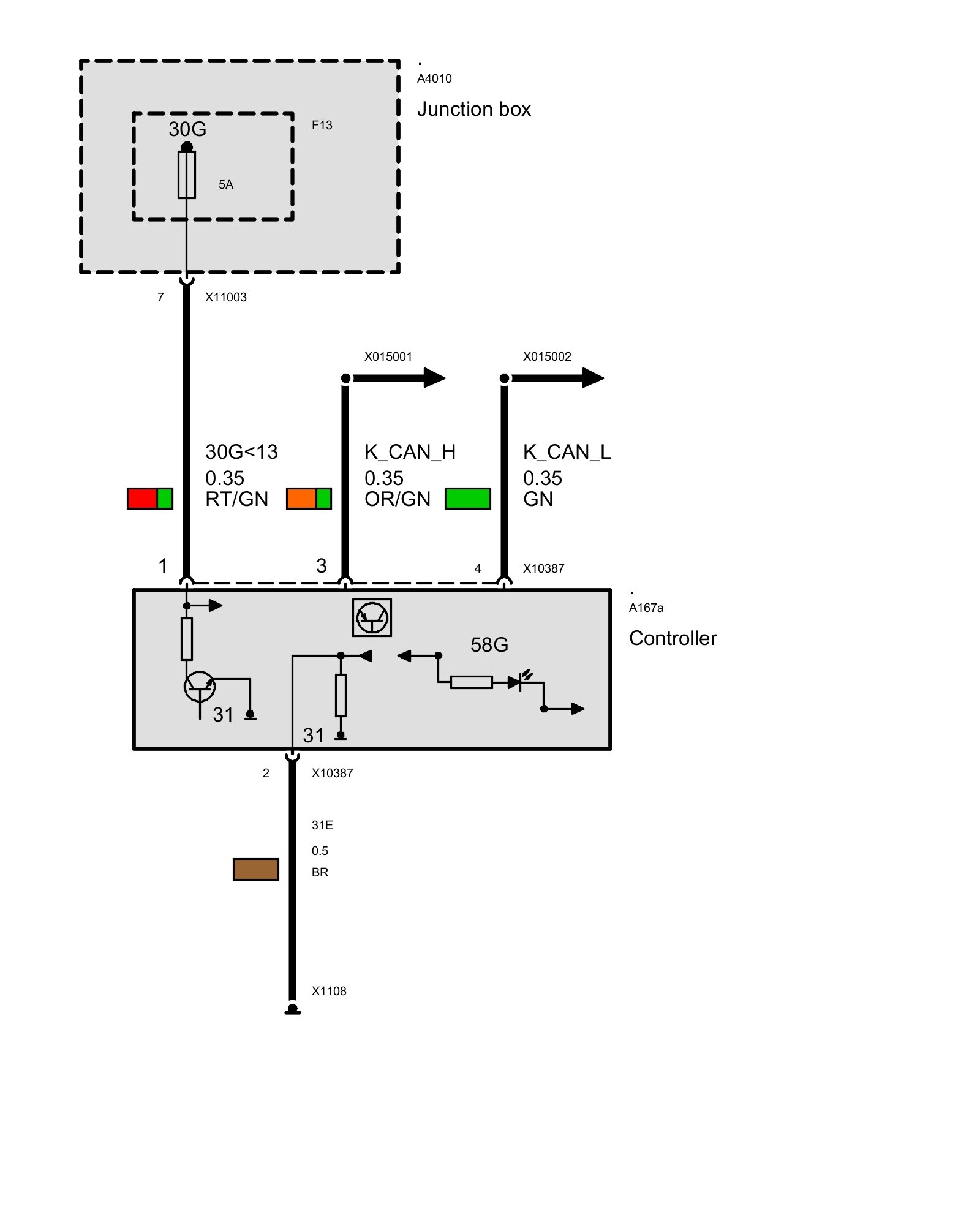
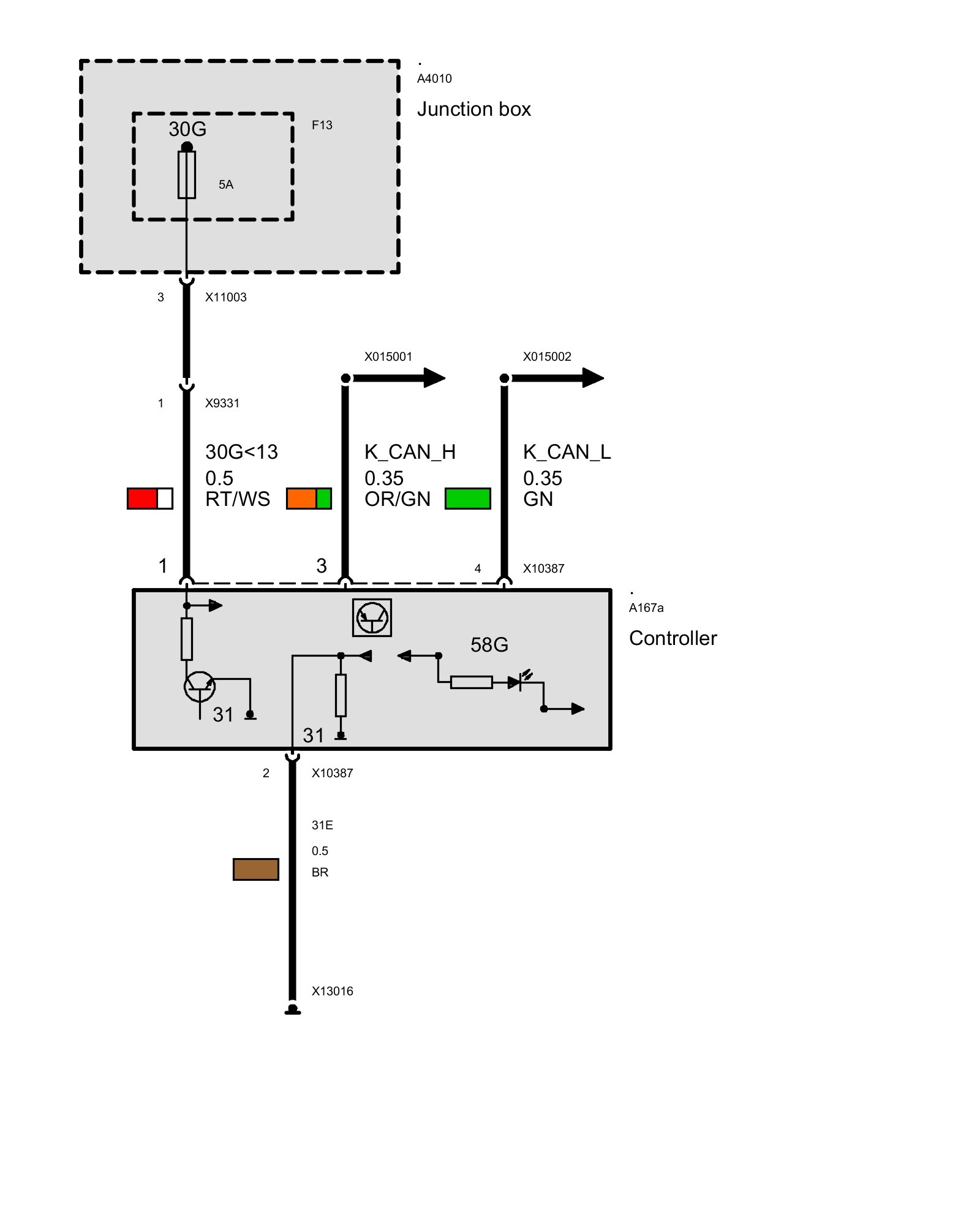
Controller Supply (CCC-BO User Interface or M-ASK-BO User Interface)
Controller Supply (CCC-BO User Interface or M-ASK-BO User Interface)
Controller Supply
Up to 03/07
As of 03/07 Up to 09/07
As of 09/07