Curiosii for ever!: Car repair manuals for everyone.

Windshield Base/ Washer Spray Jet Heaters




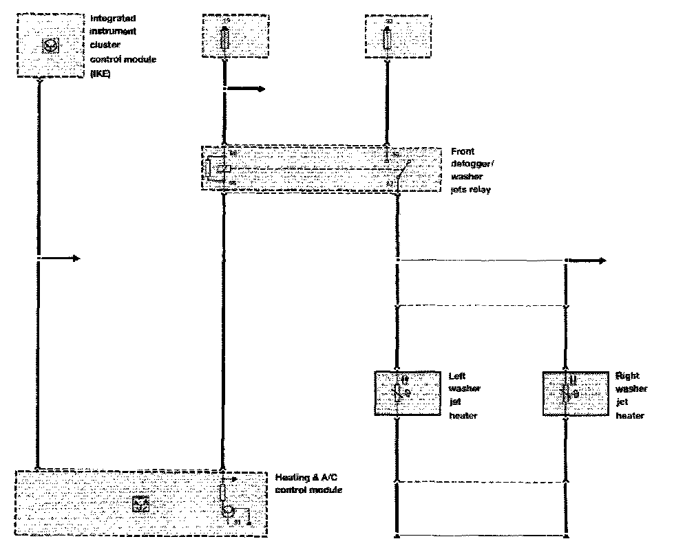
WINDSHIELD BASE/WASHER SPRAY JET HEATERS












Using the E38 as an example for this test, this circuit demonstrates that both heater systems are powered by the same relay.

- The lower portion of the windshield contains heating elements which when powered, prevent the wiper blades from freezing to the glass.
- The washer spray jet heaters are designed to prevent ice from forming on and obstructing the washer nozzles.

The control module monitors the signal from the ambient temperature sensor (K-Bus) and automatically activates the relay in this circuit when

- Ambient temperature is < 38°F (3°C), and
- The ignition is "ON" and
- Battery voltage is > 12.2 volts

If the ambient temperature exceeds 43°F (6°C), the windshield base/washer spray jet heaters are switched off.