Curiosii for ever!: Car repair manuals for everyone.

Distribution/ Air Delivery Selection




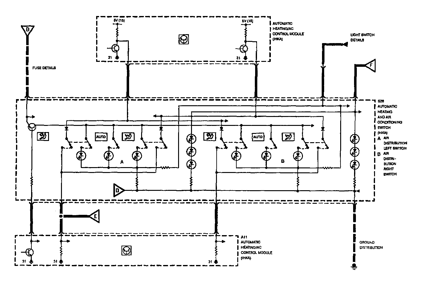
DISTRIBUTION/ AIR DELIVERY SELECTION







Distribution/air delivery selections are made at the control panel. On E31 models, the requested selection is monitored by the control module which is remotely mounted. On all other models, the requested input selection is internally monitored because the control panel and control module are a combined unit.

The E31 control panel is provided as an example. The IHKA control module provides the power supply for the control panel, then monitors the return voltage to determine the distribution/air delivery selection. Notice that the "AUTO" selection only illuminates the LED. The input is not monitored, therefore if no other selection is taken the system is in the auto program.