Curiosii for ever!
: Car repair manuals for everyone.
Home
>>
BMW
>>
2006
>>
M3 Convertible (E46) L6-3.2L (S54)
>>
Repair and Diagnosis
>>
Diagrams
>>
Electrical Diagrams
>>
Body
>>
Locking and Security Functions
>>
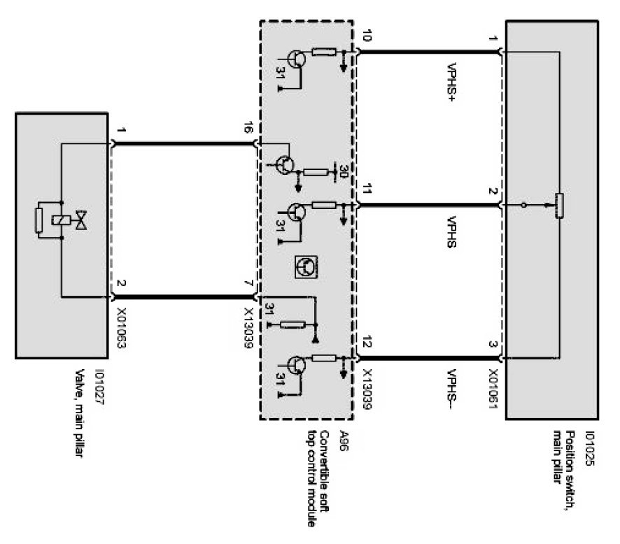
Convertible Top Control (CVM Convertible Top Module)
>>
Valve Timing
>>
V2 Main Pillar
V2 Main Pillar
Valve control, main pillar: