Curiosii for ever!: Car repair manuals for everyone.

New System Description

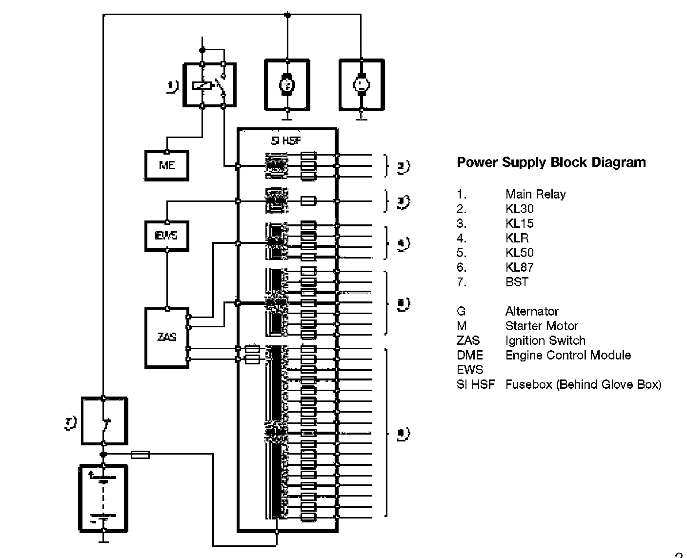
Power Supply





The purpose of the Power Supply System is to safely deliver the required voltage and amperage to vehicle systems. The power supply system includes vehicle ground points and fuses. The power supply system includes the following components:
^ Battery
^ Monitored Battery B+ Cable (New System)
^ Fuse Box
^ Fuses
^ Ground Points
^ Alternator
^ Jumper Cable Point