Curiosii for ever!
: Car repair manuals for everyone.
Home
>>
BMW
>>
2004
>>
Z4 (E85) L6-2.5L (M54)
>>
Repair and Diagnosis
>>
Diagrams
>>
Electrical Diagrams
>>
Drive
>>
Transmission Management SMG (SMG Sequential Manual Transmission)
>>
Control Module
>>
Control Module, Internal Fault
>>
Supply (Z Series_Z4-E85/E86 As of 03/04)
Supply (Z Series_Z4-E85/E86 As of 03/04)
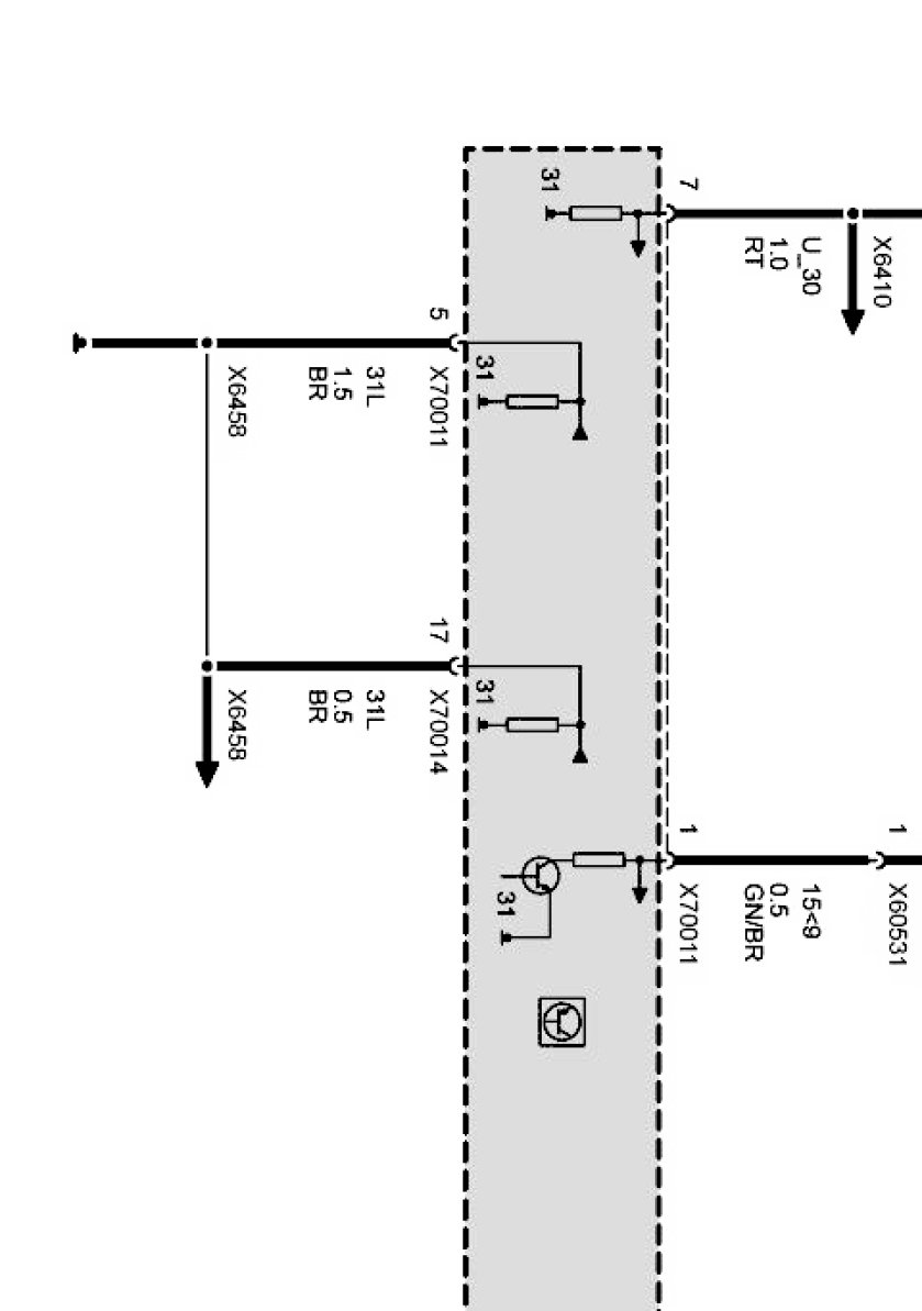
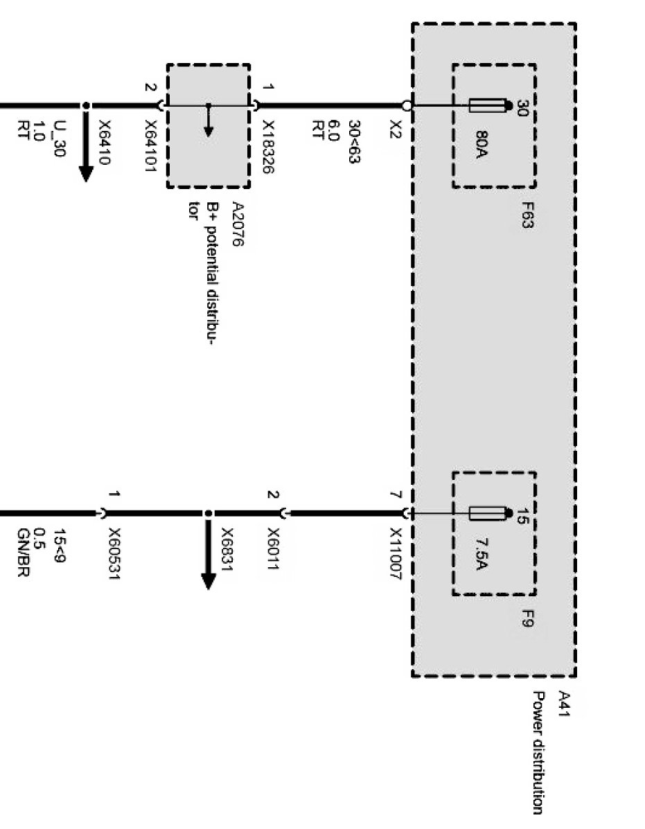
Supply Part 1:
Supply Part 2:
Supply Part 3:
Supply Part 4: