Curiosii for ever!
: Car repair manuals for everyone.
Home
>>
BMW
>>
2004
>>
Z4 (E85) L6-2.5L (M54)
>>
Repair and Diagnosis
>>
Diagrams
>>
Electrical Diagrams
>>
Chassis
>>
Wheel Slip Control System (DSC Dynamic Stability Control E85)
>>
Switch
>>
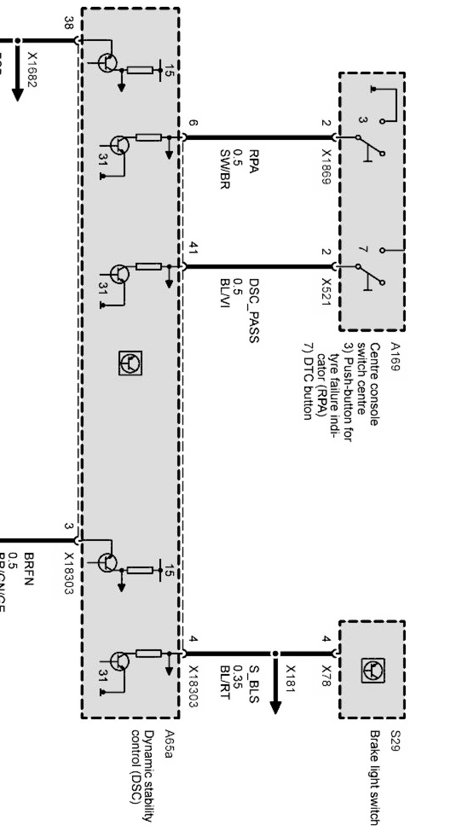
Switch Functions DSC
Switch Functions DSC
Switch functions DSC Part 1:
Switch functions DSC Part 2: