Curiosii for ever!: Car repair manuals for everyone.

Stepper Motor Control




STEPPER MOTOR CONTROL







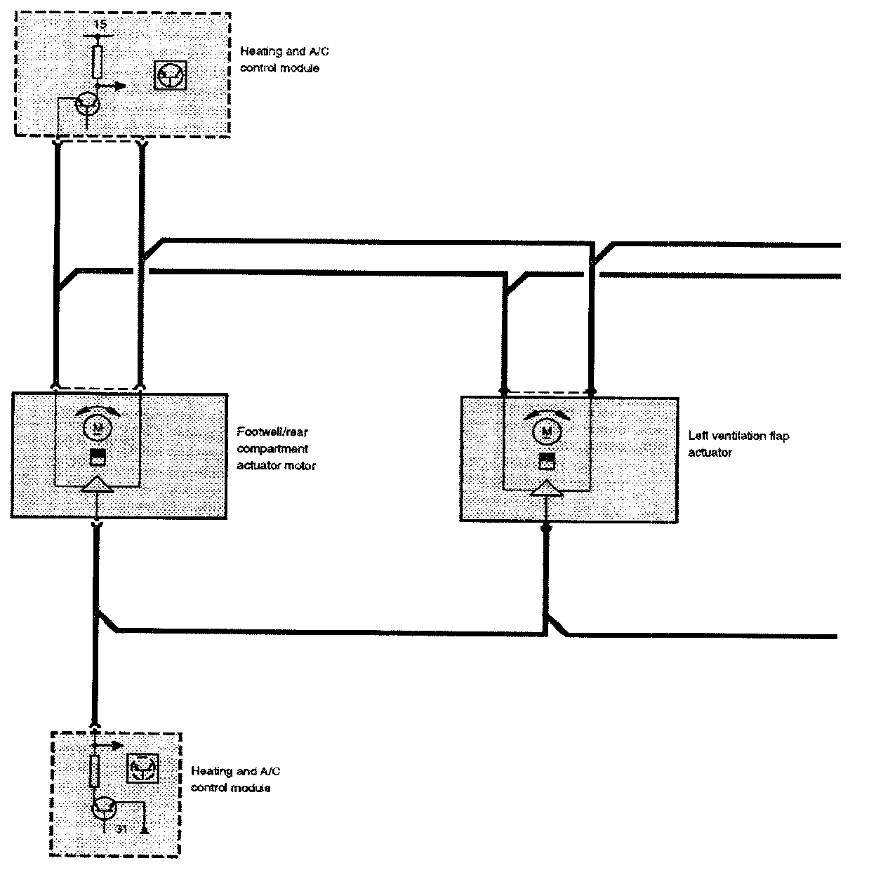
Stepper motors are installed in the system to provide infinitely variable operation of the air outlet flaps for automatic climate control. M-Bus (3 wire flat harness) controlled motors are used to operate all flaps, with the exception on some models of a dedicated fresh air motor and circuit.

Each of these motors features its own electronic circuitry and is electrically coded, indicating that installation is unique to a specific flap.

These type of stepper motors receive power and ground on two of the terminals, and coded operating instructions on the third. The instructions are digital signals (500 Hz) that control opening or closing of the flaps. The microprocessor inside the stepper motor receives the instructions and converts them into pulses to operate the permanent magnet rotor.