Curiosii for ever!: Car repair manuals for everyone.

Blower Speed Signal




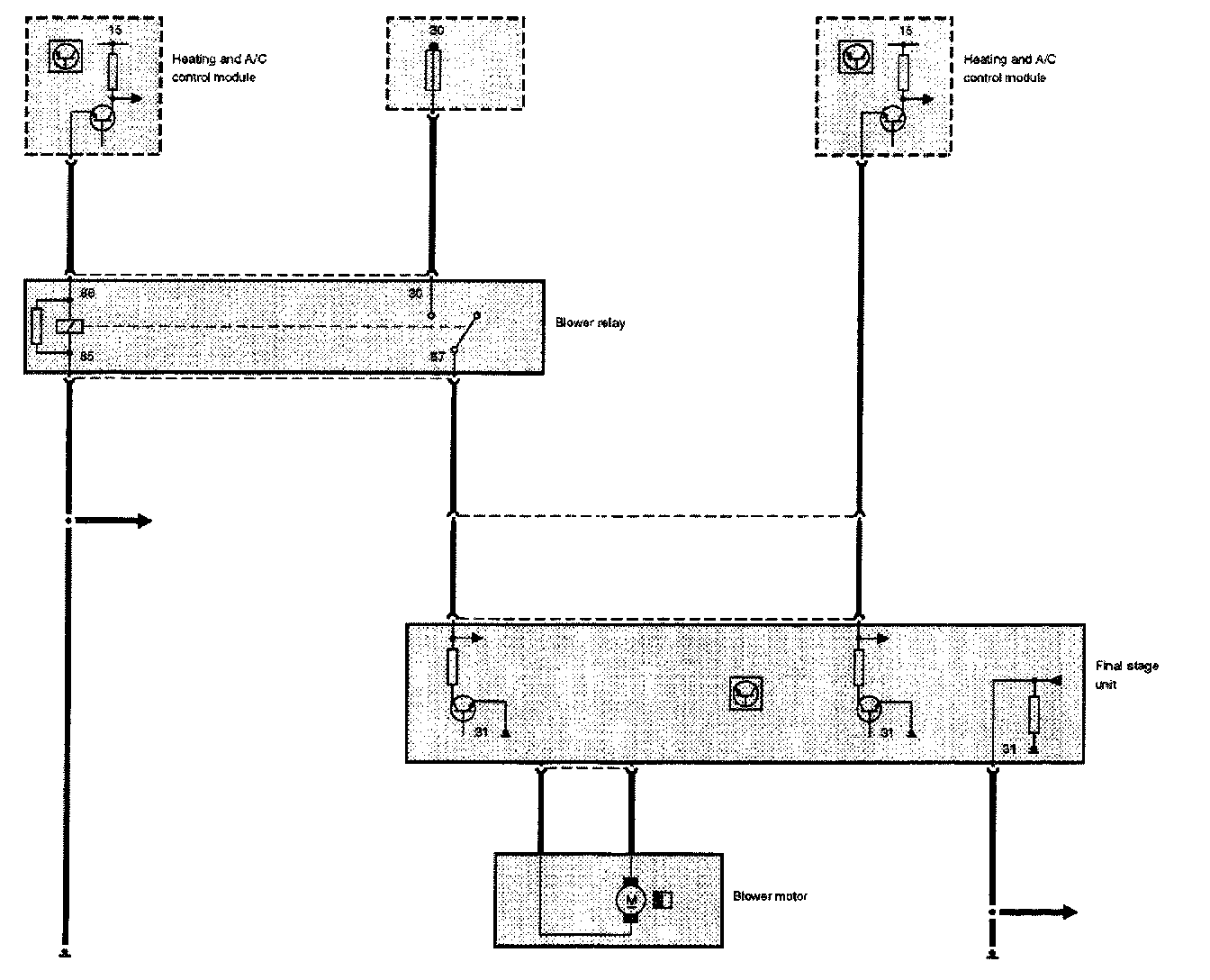
BLOWER SPEED SIGNAL







The blower speed is controlled by the IHKA control module regulating (varying) the ground circuit through the use of transistors (final stage unit).

The IHKA control module determines the appropriate blower speed using these primary inputs:

- Blower control thumbwheel/rocker switch inputs
- The "Y-factor"

In the case of the E38 (shown), each of the blower speed requests are monitored by the IHKA control module. The control module always runs the blower at the higher selected speed to ensure adequate air flow through the interior. The outlet flap opening will be reduced on the side requesting less blower speed.


NOTE: Some models do not use a blower relay.