Curiosii for ever!
: Car repair manuals for everyone.
Home
>>
BMW
>>
2004
>>
M3 Convertible (E46) L6-3.2L (S54)
>>
Repair and Diagnosis
>>
Diagrams
>>
Electrical Diagrams
>>
Body
>>
Locking and Security Functions
>>
Remote Control
>>
Infrared Remote Control
>>
Central Locking System (With Automatic Transmission)
Central Locking System (With Automatic Transmission)
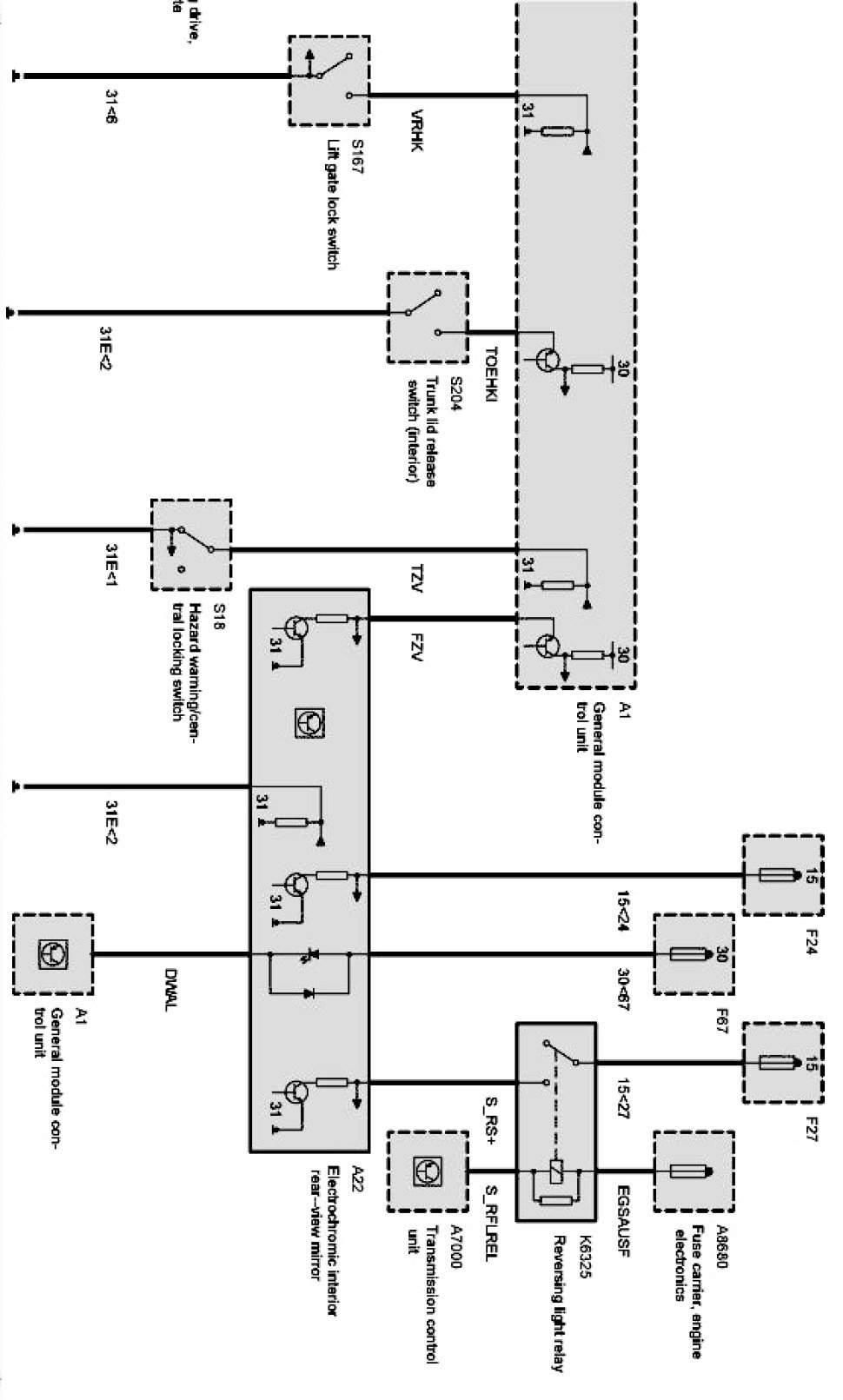
Central locking Part 1:
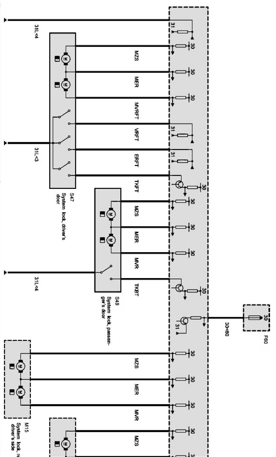
Central locking Part 2:
Central locking Part 3: