Curiosii for ever!: Car repair manuals for everyone.

Optical Test




Optical Test On The BYTEFLIGHT Bus

The BYTEFLIGHT bus system has a star-shaped structure. The individual satellites (= control modules with/without sensors) are interconnected across a star connector by means of fiber-optic cables. The star connector in the BYTEFLIGHT bus system is the Safety and Information Module. There is a transmission and a reception module (transmitter and receiver) as a unit in each satellite for connecting to the BYTEFLIGHT bus. The unit has an integrated transmit and receive diode. The optical testing and programming unit can be used to test the transmitter and receiver of a control module.

Main functions

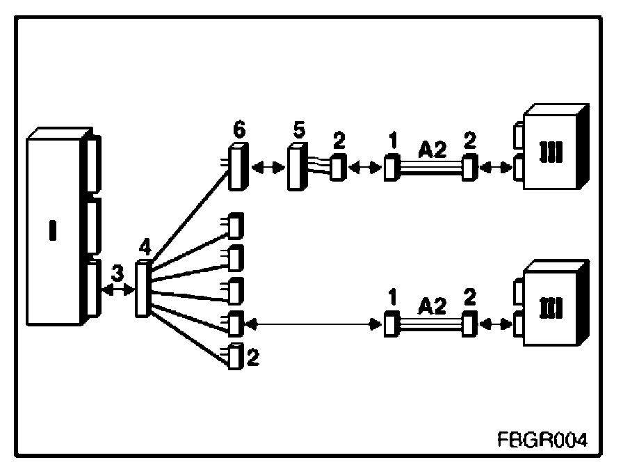
Plug-in connections in the safety system
Fig. 1 shows the various plug-in connections of the safety system. The Safety and Information Module has six-pin sockets for plugging the six-pin fiber-optic cable connectors. The connection between the Safety and Information Module and the satellites is by means of fiber-optic cable. In the case of the door satellites, there is an additional isolation point between the door and frame of the vehicle. The satellites are supplied by the Safety and Information Module with a voltage between 9 V and 11 V. However, the connector for the power supply is not shown in Fig. 1.

Fig.1: Overview of the plug-in connection of the safety system







No communication with control module possible
If no communication is possible with the Safety and Information Module, this can be caused by the following:
- Power supply from the Safety and Information Module is defective
- The power supply of the instrument cluster is defective,
- Body bus between the Safety and Information Module and instrument cluster is defective.

If the power supply of the central instrument cluster is defective, no communication with the Safety and Information Module is possible. It is also the case that no communication is possible with any other control module. In this case, the cause of the fault must always be searched for first at the instrument cluster.

If no communication is possible with a certain satellite, this can be caused by the following:
- Power supply of satellite defective
- Transmitter or receiver of the Safety and Information Module is defective
- Transmitter or receiver of satellite defective
- Fiber-optic cable between Safety and Information Module and central satellite defective

If the power supply of the Safety and Information Module is defective, no communication with the relevant satellite is possible. It is also the case that no communication is possible with any other satellite (and the Safety and Information Module). In this case, the cause of the fault must always be searched for first at the Safety and Information Module.

Prior to each optical test, the power supply of the control modules suspected of being defective must be checked. The satellites are supplied by the Safety and Information Module with a voltage between 9 V and 11 V. The optical testing and programming unit can then be used to pinpoint the error cause on the control module or the fiber-optic cable. The test programs for the optical test on the BYTEFLIGHT bus can be found under function selection: Body, Bus Functions, BYTEFLIGHT Functions and Optical Test.

Optical testing and programming unit
The optical testing and programming unit
- is used for troubleshooting in the optical bus system BYTEFLIGHT,
- acts in the system as a diagnostic head. This means the diagnosis can be run as usual.

Fig.2: Optical testing and programming unit (III)







The optical testing and programming unit (BYTEFLIGHT section) has a socket for adaptation of the satellite connector. The transmitter-receiver diode for the optical test is integrated here. Another socket is necessary for calibration of the optical testing and programming unit (BYTEFLIGHT section). A reference receiver for calibration is integrated here.

Calibration
For the optical test of a control module (or fiber-optic cable), the control module (or fiber-optic cable) must be connected to the optical testing and programming unit using an adapter. However, each adapter has a different attenuation value. So that these different attenuation values are taken into account in the optical test, calibration must be carried out before each optical test. During the calibration, there is also a check as to whether the adapter is OK. The various calibrations, depending on whether the Safety and Information Module, a satellite or a fiber-optic cable is being tested, are shown.

1. The optical testing and programming unit has two sockets for fitting a satellite connector. For the test of the fiber-optic cable using the satellite, the SIM wiring harness adapter is required. However, the adapter cannot be connected directly to the optical testing and programming unit. Therefore, for calibration, the six-pin SIM adapter (A3 = 663133) must be connected to the SIM wiring harness adapter (A4 = 663134). The satellite connectors (2) must be connected to the optical testing and programming unit.

Fig. 3: Calibration for the test of the fiber-optic cable using the satellite







2. To test the satellite, the satellite adapter (A1 = 663131) is required. For calibration, the two satellite connectors (2) are connected to the optical testing and programming unit.

Fig. 4: Calibration for testing satellites







3. The optical testing and programming unit has two sockets for fitting a satellite connector. For the test of the fiber-optic cable, an adapter with a socket is required. However, the socket cannot be connected directly to the optical testing and programming unit. Therefore, for calibration, the satellite wiring harness adapter (A2 = 663132) must be connected with the satellite adapter (A1 = 663131). The satellite connectors (2) must be connected to the optical testing and programming unit.

Fig. 5: Calibration for the test of the fiber-optic cable using the Safety and Information Module







Optical test of control module and fiber-optic cable
For the optical test of a control module (or fiber-optic cable), the control module (or fiber-optic cable) must be connected to the optical testing and programming unit using an adapter. The different adapters required to test the satellites or fiber-optic cable are shown below.
1. To test the fiber-optic cable using the satellite (II), the six-pin SIM wiring harness adapter (A4 = 663134) is required.

Fig. 6: Test of fiber-optic cable using the satellite







2. To test the satellite (II), the satellite adapter (A1 = 663131) is required.

Fig. 7: Test of satellite







3. For the test of the fiber-optic cable using the Safety and Information Module (I), the satellite wiring harness adapter (A2 = 663132) is required.

Fig. 8: Testing the fiber-optic cable using the Safety and Information Module







Service functions

Notes on safety
All work on the airbags must be carried out with the battery disconnected!

Only connect and disconnect BYTEFLIGHT control modules with the fuse removed from the Safety and Information Module!

If a fiber-optic cable on the BYTEFLIGHT bus has to be repaired, it must be borne in mind that there may only be one join in a fiber-optic cable. If there is already a join due to a door connector, the fiber-optic cable must not be repaired. In the case of a defect, the fiber-optic cable must be replaced!