Curiosii for ever!
: Car repair manuals for everyone.
Home
>>
BMW
>>
2002
>>
320i (E46) (CANADA) L6-2.2L M54
>>
Repair and Diagnosis
>>
Diagrams
>>
Electrical Diagrams
>>
Body
>>
Audio, Video and Navigation
>>
Navigation (NAV Navigation Computer MKII or NAV Navigation Computer)
>>
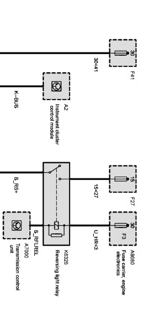
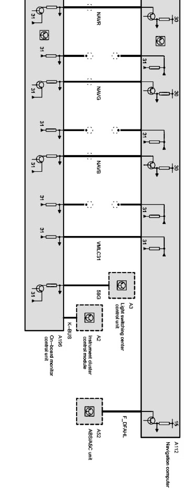
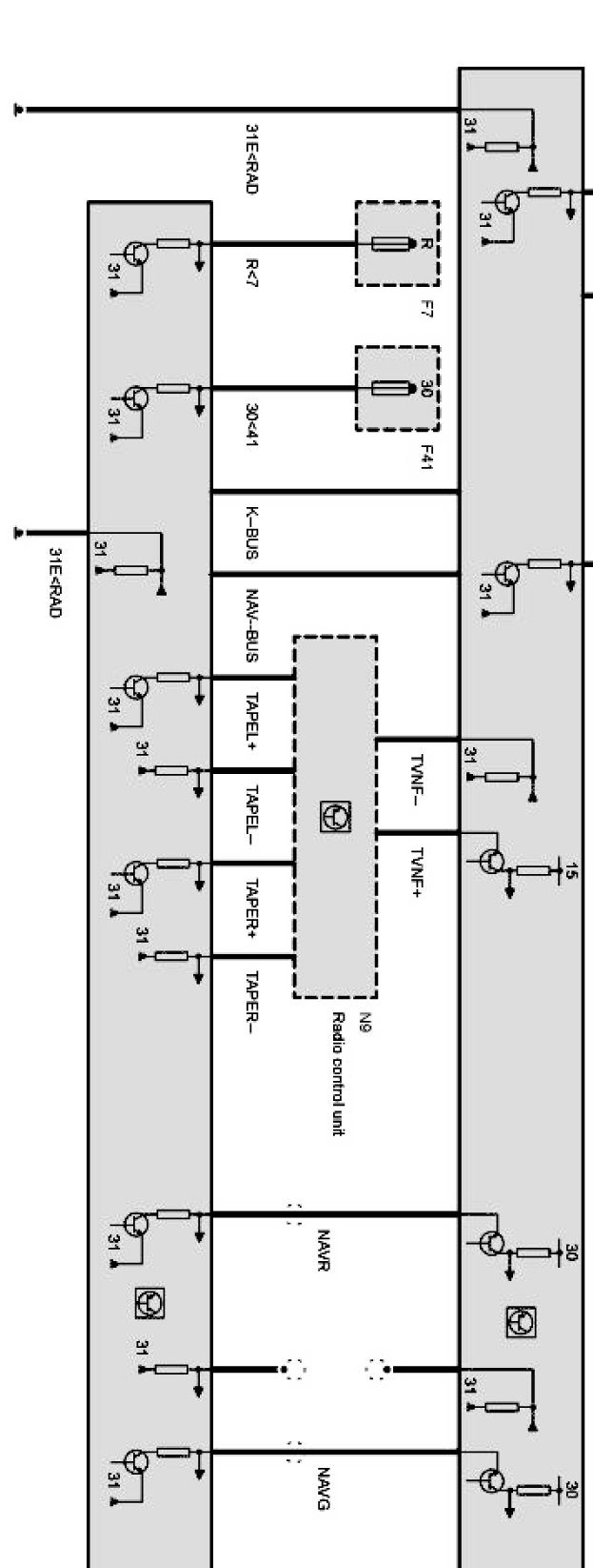
Navigation ((DME Motor Electronics MS42 or MS43 ) W/ Auto Trans W/ ASC MK20 W/NAV Navigation Computer )
Navigation ((DME Motor Electronics MS42 or MS43 ) W/ Auto Trans W/ ASC MK20 W/NAV Navigation Computer )