Curiosii for ever!
: Car repair manuals for everyone.
Home
>>
BMW
>>
1995
>>
325i Convertible (E36) L6-2494cc 2.5L DOHC (M50 TU)
>>
Repair and Diagnosis
>>
Powertrain Management
>>
Computers and Control Systems
>>
Relays and Modules - Computers and Control Systems
>>
Engine Control Module
>>
Diagrams
>>
Diagram Information and Instructions
>>
Ground Distribution
>>
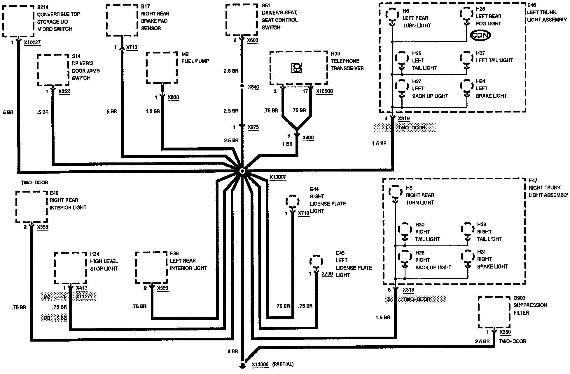
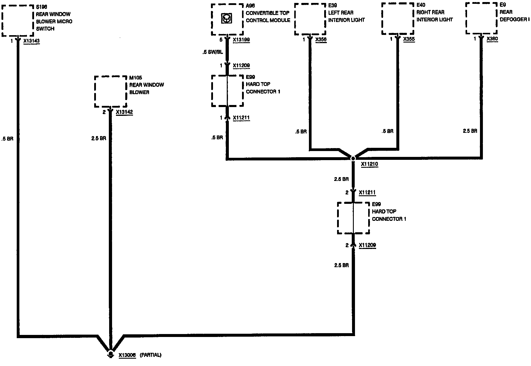
Ground X13006
Ground X13006
Ground Distribution: Ground X13006:
Ground Distribution: Ground X13006: