Curiosii for ever!: Car repair manuals for everyone.

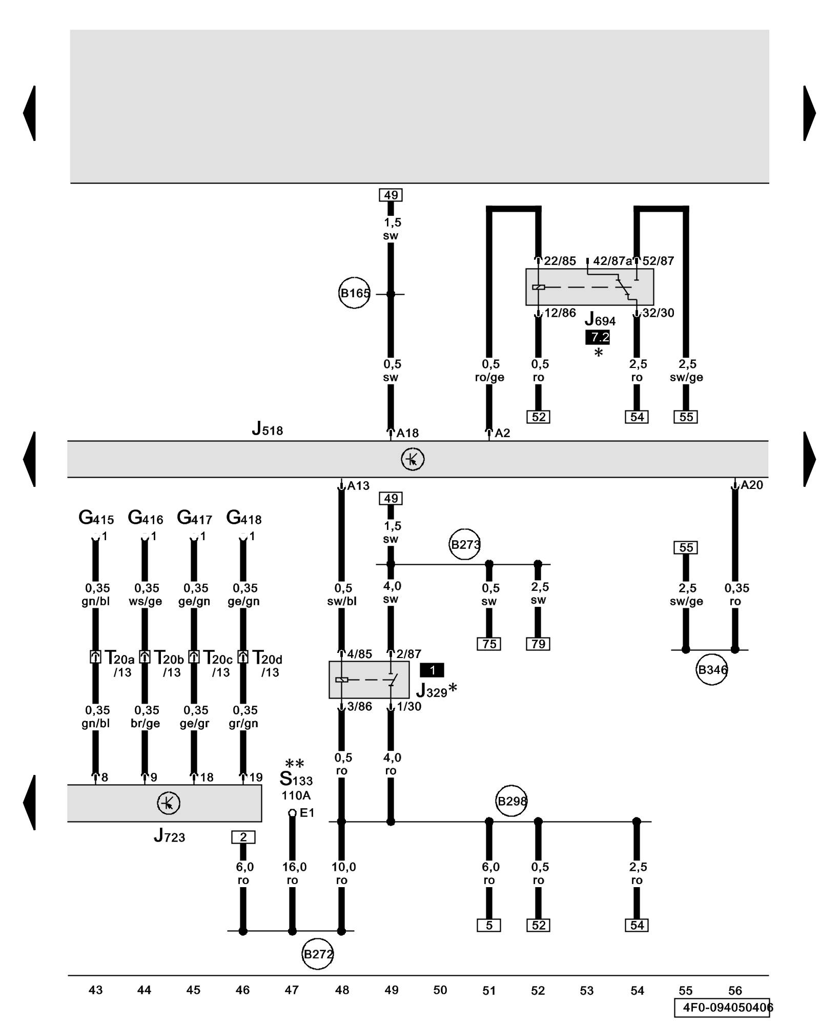
Diagram 94/5 (Tracks 43-56)






IMPORTANT NOTE:
This manufacturer uses "Track" style wiring diagrams.
For information on how to use these diagrams effectively, please refer to Diagram Information and Instructions. Diagram Information and Instructions


Access/Start Control Module, Keyless Access Authorization Antenna Reader, Power Supply Relay (terminal 15), Power Supply Relay (terminal 75x)





ws = white
sw = black
ro = red
br = brown
gn = green
bl = blue
gr = grey
li = lilac
ge = yellow
or = orange
rs = pink

G415 - Driver's Outside Door Handle Touch Sensor Keyless Access Authorization System Overview - Outside Door Handle

G416 - Front Passenger's Outside Door Handle Touch Sensor Keyless Access Authorization System Overview - Outside Door Handle

G417 - Left Rear Outside Door Handle Touch Sensor Keyless Access Authorization System Overview - Outside Door Handle

G418 - Right Rear Outside Door Handle Touch Sensor Keyless Access Authorization System Overview - Outside Door Handle

J329 - Power Supply Relay (terminal 15) Overview of Relay Carrier

J518 - Access/Start Control Module Overview of Control Modules

J694 - Power Supply Relay (terminal 75x) Overview of Relay Carrier

J723 - Keyless Access Authorization Antenna Reader Overview of Control Modules

S133 - Safety Fuse 3 Overview of Fuses

T20a - 20-Pin Connector, black, A-pillar, left

T20b - 20-Pin Connector, black, A-pillar, right

T20c - 20-Pin Connector, black, B-pillar, left

T20d - 20-Pin Connector, black, B-pillar, right

(B165) - Plus Connection 2 (15) (in interior wiring harness)

(B272) - Plus Connection (30) (in main wiring harness)

(B273) - Plus Connection (15) (in main wiring harness)

(B298) - Plus Connection 2 (30) (in main wiring harness)

(B346) - Connection 1 (75) (in main wiring harness)

* - 9-Pin relay carrier, behind driver's storage compartment

** - Main fuse carrier, in right rear luggage compartment on battery

Previous Diagram 94/4 (Tracks 29-42)

Next Diagram 94/6 (Tracks 57-70)