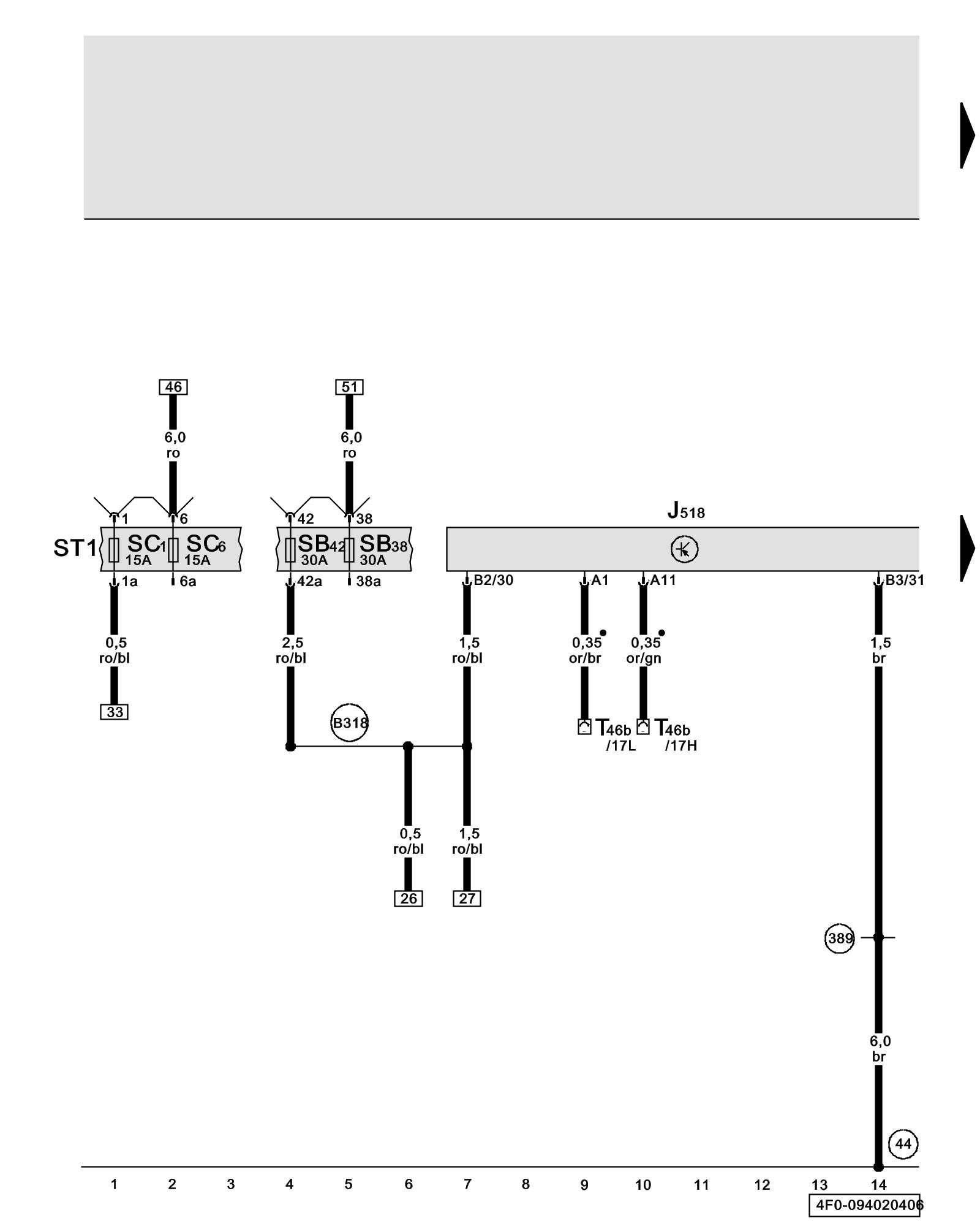
Diagram 94/2 (Tracks 1-14)
IMPORTANT NOTE:
This manufacturer uses "Track" style wiring diagrams.
For information on how to use these diagrams effectively, please refer to Diagram Information and Instructions. Diagram Information and Instructions
Access/Start Control Module, Fuses
ws = white
sw = black
ro = red
br = brown
gn = green
bl = blue
gr = grey
li = lilac
ge = yellow
or = orange
rs = pink
J518 - Access/Start Control Module Overview of Control Modules
SB38 - Fuse 38 (on fuse panel B) Overview of Fuses
SB42 - Fuse 42 (on fuse panel B) Overview of Fuses
SC1 - Fuse 1 (on fuse panel C) Overview of Fuses
SC6 - Fuse 6 (on fuse panel C) Overview of Fuses
T46b - 46-Pin Connector, right CAN separating connector
(44) - Ground Connection (on left lower A-pillar) Overview of Ground Connections in Interior of Vehicle
(389) - Ground Connection 24 (in main wiring harness)
(B318) - Plus Connection 4 (30a) (in main wiring harness)
- CAN-Bus (data wire)
Next Diagram 94/3 (Tracks 15-28)