Curiosii for ever!: Car repair manuals for everyone.

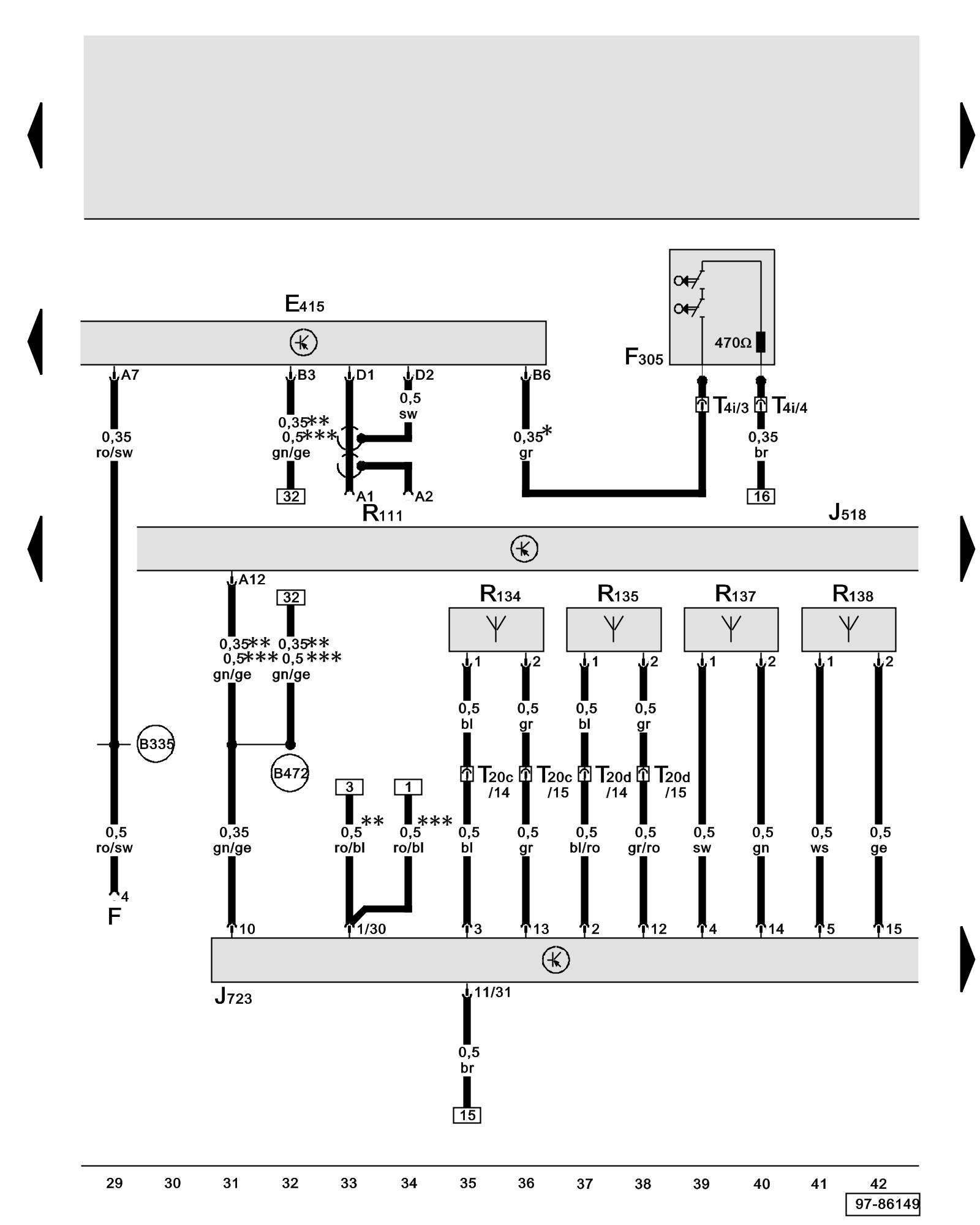
Diagram 21/4 (Tracks 29-42)






IMPORTANT NOTE:
This manufacturer uses "Track" style wiring diagrams.
For information on how to use these diagrams effectively, please refer to Diagram Information and Instructions. Diagram Information and Instructions


Access/Start Control Module, Access/Start Authorization Switch, Access/Start Authorization Antenna, Keyless Access Authorization Antenna Reader





ws = white
sw = black
ro = red
br = brown
gn = green
bl = blue
gr = grey
li = lilac
ge = yellow
or = orange
rs = pink

E415 - Access/Start Authorization Switch Access/Start Authorization System Assembly Overview

F - Brake Light Switch Locations

F305 - Transmission Park Selector Switch Selector Mechanism Overview

J518 - Access/Start Control Module Overview of Control Modules

J723 - Keyless Access Authorization Antenna Reader Overview of Control Modules

R111 - Antenna Amplifier 2 Locations

R134 - Driver's Access/Start Authorization Antenna Keyless Access System Assembly Overview

R135 - Front Passenger's Access/Start Authorization Antenna Keyless Access System Assembly Overview

R137 - Luggage Compartment Access/Start Authorization Antenna Keyless Access System Assembly Overview

R138 - Interior Access/Start Authorization Antenna 1 Keyless Access System Assembly Overview

T4i - 4-Pin Connector, black, in center console on selector lever console

T20c - 20-Pin Connector, black, B-pillar, left

T20d - 20-Pin Connector, black, B-pillar, right

(B335) - Connection 1 (54) (in main wiring harness)

(B472) - Connection 8 (in main wiring harness)

* - Models with automatic transmission

** - Through October 2005

*** - From November 2005

Previous Diagram 21/3 (Tracks 15-28)

Next Diagram 21/5 (Tracks 43-56)