Curiosii for ever!: Car repair manuals for everyone.

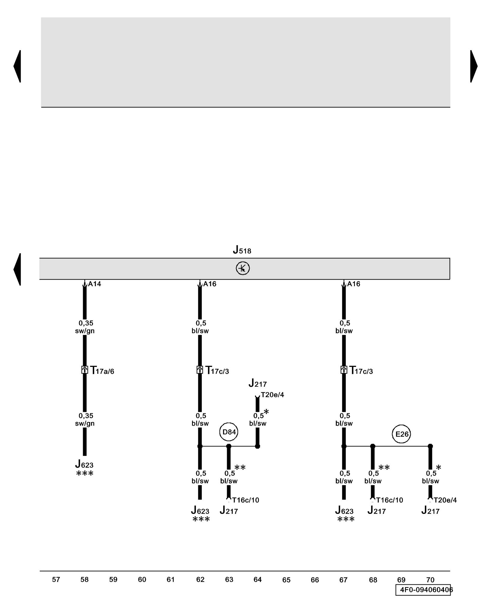
Diagram 94/6 (Tracks 57-70)






IMPORTANT NOTE:
This manufacturer uses "Track" style wiring diagrams.
For information on how to use these diagrams effectively, please refer to Diagram Information and Instructions. Diagram Information and Instructions


Access/Start Control Module





ws = white
sw = black
ro = red
br = brown
gn = green
bl = blue
gr = grey
li = lilac
ge = yellow
or = orange
rs = pink

J217 - Transmission Control Module (TCM) Overview of Control Modules

J518 - Access/Start Control Module Overview of Control Modules

J623 - Engine Control Module (ECM) Overview of Control Modules

T16c - 16-Pin Connector, black, on transmission control module (TCM)

T17a - 17-Pin Connector, red, connector station electronics box in left plenum chamber Overview of Connector Stations and Connectors

T17c - 17-Pin Connector, white, connector station electronics box in left plenum chamber Overview of Connector Stations and Connectors

T20e - 20-Pin Connector, black, on transmission control module (TCM)

(D84) - Automatic Transmission Connection (in engine compartment wiring harness)

(E26) - Connection (selector lever P/N) (in Motronic wiring harness)

* - Models with automatic transmission 01J

** - Models with automatic transmission 09L

*** - => Wiring Diagram Engine

Previous Diagram 94/5 (Tracks 43-56)

Next Diagram 94/7 (Tracks 71-84)