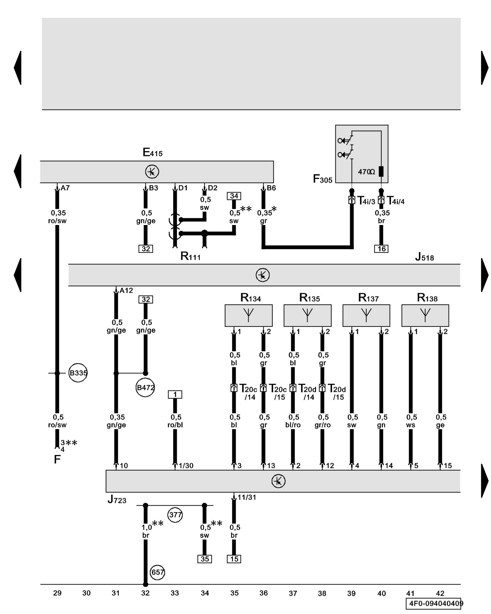
Diagram 94/4 (Tracks 29-42)
IMPORTANT NOTE:
This manufacturer uses "Track" style wiring diagrams.
For information on how to use these diagrams effectively, please refer to Diagram Information and Instructions. Diagram Information and Instructions
Access/Start Control Module, Access/Start Authorization Switch, Access/Start Authorization Antenna, Keyless Access Authorization Antenna Reader
ws = white
sw = black
ro = red
br = brown
gn = green
bl = blue
gr = grey
li = lilac
ge = yellow
or = orange
rs = pink
E415 - Access/Start Authorization Switch Access/Start Authorization System Assembly Overview
F - Brake Light Switch Locations
F305 - Transmission Park Selector Switch Selector Mechanism Overview
J518 - Access/Start Control Module Overview of Control Modules
J723 - Keyless Access Authorization Antenna Reader Overview of Control Modules
R111 - Antenna Amplifier 2 Locations
R134 - Driver's Access/Start Authorization Antenna Keyless Access System Assembly Overview
R135 - Front Passenger's Access/Start Authorization Antenna Keyless Access System Assembly Overview
R137 - Luggage Compartment Access/Start Authorization Antenna Keyless Access System Assembly Overview
R138 - Interior Access/Start Authorization Antenna 1 Keyless Access System Assembly Overview
T4i - 4-Pin Connector, black, in center console on selector lever console
T20c - 20-Pin Connector, black, B-pillar, left
T20d - 20-Pin Connector, black, B-pillar, right
(377) - Ground Connection 12 (in main wiring harness)
(657) - Ground Connection 1 (left, near rear window) Overview of Ground Connections in Interior of Vehicle
(B335) - Connection 1 (54) (in main wiring harness)
(B472) - Connection 8 (in main wiring harness)
* - Models with automatic transmission
** - from June 2007
Previous Diagram 94/3 (Tracks 15-28)
Next Diagram 94/5 (Tracks 43-56)