Curiosii for ever!: Car repair manuals for everyone.

General Specifications




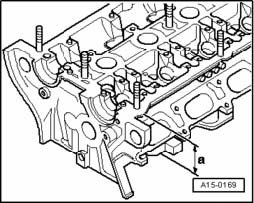
Surface Variation





Check cylinder head at multiple points for distortion, using straight edge and feeler gauges.

Max. distortion 0.05 mm





Resurfacing cylinder head (face grinding) is only permissible to minimum dimension -a-.

Min. dimension -a- 139.20 mm.





Cylinder Bore Checking

Using an internal dial gauge 50 to 100 mm, measure at 3 points in diagonal sequence horizontally -A- and vertically -B-.

^ Max. deviation from nominal dimension 0.08 mm.

Main Bearing Guide





Replace guide frame bolts - 1 to 16 -.

Insert long bolts in the inner row of the guide frame.

Tighten bolts - 1 to 31 - in 3 stages as follows:

Tighten bolts - 1 to 16 - in sequence 50 Nm

Tighten bolts - 1 to 16 - in sequence + 90 degree

Tighten bolts - 17 to 31 - in sequence 23 Nm





Allocation of crankshaft bearing shells for cylinder block

Bearing shells with the correct thickness are allocated to the cylinder block in the factory. Colored dots on sides of bearing shells serve for identifying bearing shell thickness.

Allocation of bearing shells to cylinder block is marked by a letter on the respective bearing on guide frame

Through engine no. AUK 028 000 or BKH 033 000:

On engines through no. AUK 028 000 or BKH 033 000 another allocation of letters on guide frame to bearing shell color applies to bearing 1 (front).





From engine no. AUK 028 001 or BKH 033 001:








Allocation of crankshaft bearing shells for guide frame

Bearing shells with the correct thickness are allocated to the guide frame in the factory. Colored dots on sides of bearing shells serve for identifying bearing shell thickness.

Allocation of bearing shells to guide frame is marked on flywheel flange of crankshaft by a row of letters. The first letter of the row of letters represents bearing "1", the second letter is for bearing "2", etc.

Through engine no. AUK 028 000 or BKH 033 000:

On engines through no. AUK 028 000 or BKH 033 000 another allocation of letters on crankshaft to bearing shell color applies to bearing 1 (front).





From engine no. AUK 028 001 or BKH 033 001:





Connecting Rod

Torque 30 Nm + 90 degrees (1/4 turn)

Connecting Rod Bearing

Radial clearance

New 0.010 to 0.052 mm

Wear limit 0.12 mm

Piston Ring








Vibration Damper/Crankshaft Pulley

Tightening Specifications