Comfort System Central Control Module
Comfort System Central Control Module
Special tools, testers and auxiliary items required
• Pry lever (80-200)
Removing
Component location is in luggage compartment at rear, right side, below side trim
- If the control module was replaced, select the Replace function for the respective control module in Guided Fault Finding or Guided Functions.
- Select the function or path
- Follow the instructions on the Vehicle Diagnosis Tester display.
• All cable ties opened or cut during engine removal must be reinstalled at the same locations during installation.
- Remove luggage compartment right side trim.
Three door model
- Disconnect electrical connectors - 1 - and - 2 -.
- Remove the nuts - arrows - and remove the retaining plate and control module.
- Free up the wiring harness using the (80-200) on the retaining plate.
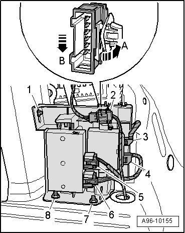
Sportback
- Disconnect electrical connectors - 2 to 6 -.
- Release the retaining clips in - direction of arrow A - and remove the connector in - direction of arrow B -.
- Remove the nuts - 1 -, - 7 - and - 8 - and remove the retaining plate and control module.
- Free up the wiring harness using the (80-200) on the retaining plate.
All
- Disconnect electrical connectors - 1 to 3 -.
- Press the retaining clips to the side - arrow 1 - and remove the comfort system central control module (J393) from the retaining plate - arrow 2 -.
Installing
Install in reverse order of removal, noting the following:
• Attach all cable ties at the same locations when installing.
If comfort system central control module was replaced, then it must be re-coded.
- Select the function or path
- Follow the instructions on the Vehicle Diagnosis Tester display.
- Install luggage compartment right side trim.
Tightening Specifications