Curiosii for ever!: Car repair manuals for everyone.

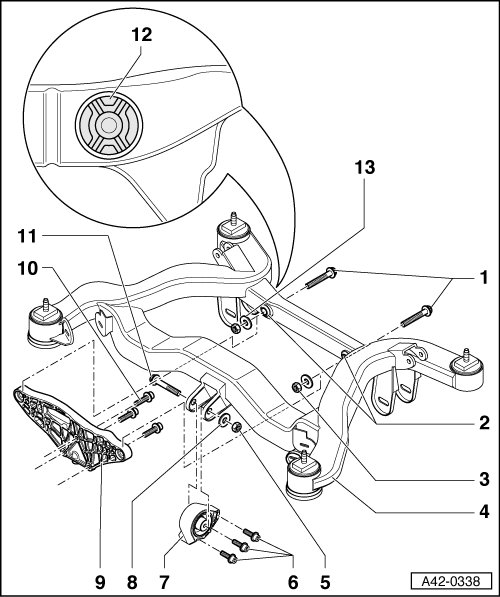
Subframe Mount Component Overview






Subframe Mount Component Overview





1 - Combi-bolt

2 - Rear differential mount

3 - Hex nut

4 - Subframe

5 - Hex nut

6 - Combi-bolt

7 - Final drive support

8 - Washer

9 - Rear crossmember

10 - Combi-bolt

11 - Combi-bolt

12 - Rear differential mount web alignment

13 - Washer