Curiosii for ever!: Car repair manuals for everyone.

With Generic Scan Tool



Check Motronic Engine Control Module (ECM) Power Supply Relay -J271- And Activation

Special Tools and Equipment







- VAG1526A multimeter
- VAG1594A connector test kit
- VAG1598/31 test box

NOTE: The Motronic Engine Control Module (ECM) power supply relay -J271- supplies voltage to the ignition coils with power output stages and the Engine Control Module (ECM) at pin 121.

Test requirement:
- Ignition switched off.

Test sequence







- Remove cover -1- in engine compartment (left side).







- Remove coolant reservoir (arrow)
- Disconnect electrical wiring to Engine Coolant Level (ECL) Warning Switch -F66- at bottom of reservoir.
- Lay aside coolant reservoir with connected coolant hoses -1- to -3-.







- Remove bolts (arrows) on cylinder head at left.
- Disconnect 4-pin harness connectors -4- to -6- at ignition coils.

NOTE: For further testing, connect the multimeter to harness connector in place of an ignition coil.







- Connect multimeter for voltage measurement as follows.

Harness connector Measure to
Terminal

1 Engine Ground (GND)

- Switch ignition on.
- Specified value: approx. battery voltage
- Switch ignition off.

If specified value is not obtained:
- Remove rubber seal for plenum chamber cover.







- Remove plenum chamber cover -1- toward front (arrows).







- Pry off both covers -3- using a screwdriver.
- Loosen hex-nuts -4- by several turns.
- Loosen wiper arm -2- from wiper axle by lightly tilting.
- Remove hex nuts completely and remove wiper arms.
- Disconnect securing clips -1- and remove cowl grill -5-.







- Remove cover for E-box, plenum chamber (arrows).







- Pry off Engine Control Module (ECM) retaining bracket (arrows) using a screwdriver and set control module aside.
- If installed, unclip Transmission Control Module (TCM) retaining bracket and set control module aside.







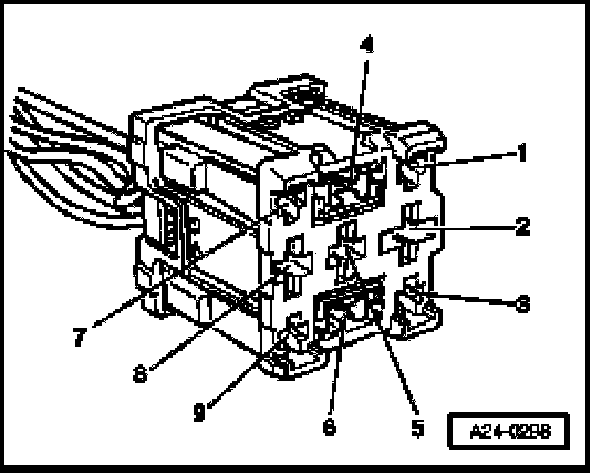
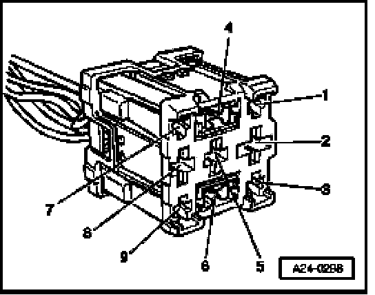
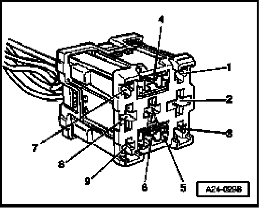
- Disconnect power supply relay -2-.







- Check the following wire connection for open circuit according to wiring diagram:

Relay carrier in E-box, plenum Harness connector at
chamber, position 2 ignition coils
Terminal Terminal

8 1

- Specified value: Wire resistance max 1.5 Ohm
- If necessary, repair wire connection.

If no malfunctions are found in wires:
- Check voltage supply of Motronic Engine Control Module (ECM) power supply relay -J271-.
- Check activation of Motronic Engine Control Module (ECM) power supply relay -J271-.

Checking voltage supply







- Connect multimeter for voltage measurement as follows.

Relay carrier in E-box, plenum Measure to
chamber, position 2
Terminal

1 Engine Ground(GND)
2 Engine Ground(GND)

- Specified value: approx. battery voltage

If specified value is not obtained:
- Check wire connections for open circuit according to wiring diagram:
- Specified value: Wire resistance max 1.5 Ohm

Checking activation







- Connect multimeter for voltage measurement as follows.

Relay carrier in E-box, plenum Measure to
chamber, position 2
Terminal

4 B+

- Switch ignition on.
- Specified value: approx. battery voltage
- Switch ignition off.

If specified value is not obtained:
- Connect test box to wiring harness of Engine Control Module (ECM); ECM is not connected. Text Box, Connecting For Wiring Test







- Check the following wire connection for open circuit according to wiring diagram:

Relay carrier in E-box, plenum Test box
chamber, position 2
Terminal Socket

4 23

- Specified value: Wire resistance max 1.5 Ohm
- Also check the wire for short circuit to B+ and Ground (GND).
- Specified value: infinity Ohm (no continuity)
- If necessary, repair wire connection.

If no malfunctions are detected:
- Replace Motronic Engine Control Module (ECM) power supply relay - J271-.