Curiosii for ever!
: Car repair manuals for everyone.
Home
>>
Audi
>>
2004
>>
A4 Sedan (8E2) V6-3.0L (AVK)
>>
Repair and Diagnosis
>>
Powertrain Management
>>
Computers and Control Systems
>>
Relays and Modules - Computers and Control Systems
>>
Electronic Throttle Control Module
>>
Locations
>>
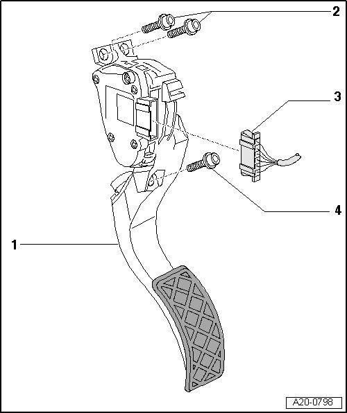
Accelerator Pedal Module
Accelerator Pedal Module
Engine Management System
Accelerator Pedal Module
1 - Accelerator Pedal Module
•
With Throttle Position (TP) Sensor -G79- and Accelerator Pedal Position Sensor 2 -G185-
3 - Electrical Harness Connector