Curiosii for ever!: Car repair manuals for everyone.

Front Window Frame and Window Regulator



Window Frame And Window Regulator, Removing And Installing







1 - Window frame

- Removing:
- Remove door trim. Body Interior.
- Disconnect electrical harness connectors.
- Remove window regulator motor.
- Remove bolts - 7 -.
- Remove bolts - 4 -, - 8 - and - 10 -.
- Remove bolts - 6 - and - 9 - and lift window frame with window regulator upward and out of door.

- Installation:
- Drive window into window frame halfway before installing.
- Insert window frame and window regulator into door from above.
- Knock in the upper profile halves of door-side gasket into window frame at top.
- Loosely screw in mounting bolts in the sequence - 6 - ;- 9 - ;- 3 - ;- 8 - and - 10 -.
- Tighten collared shoulder bolts - 6 - and - 9 - hand tight.
- Lightly press window frame - 1 - inward at top.
- Tighten bolts - 4 - and - 8 - to 32 Nm.
- Tighten collared shoulder bolts - 6 - and - 9 - to 32 Nm.
- Tighten bolt - 10 - to 10 Nm.
- Tighten locating bolt - arrows - in window frame to 32 Nm.

2 - Window regulator
- Bolted to window frame for installing in door.
3 - Front door
4 - Torx screw
- 32 Nm
5 - Concealment cap
6 - Collared shoulder bolt
- 32 Nm
7 - Collar bolt
- 6 Nm
8 - Torx screw
- 10 Nm
9 - Collared shoulder bolt
- 32 Nm







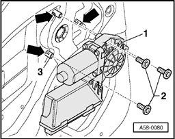
Window regulator motor, removing and installing
- To remove, unscrew bolts - 2 - and remove window regulator motor.
- Install window regulator motor.







Upper door hinge
- Torx bolt T45 - 1 - (installed from inside of vehicle) 32 Nm.
- Top door hinge - 2 -.
- Cover cap - 3 -.
- TorxboltT45 - 4 - 32 Nm.
- Install bolt- 5 - T45 32 Nm.







Lower door hinge
- Torx bolt T45 - 1 - 32 Nm bolted to B-pillar from interior of vehicle.
- Lower door hinge - 2 -.
- Cover cap - 3 -.
- TorxboltT45 - 4 - 32 Nm.
- Collared shoulder bolt T45 - 5 - 32 Nm.
- Re-grease lubrication points - arrows - in service interval.
- Front door - 6 -.