Curiosii for ever!: Car repair manuals for everyone.

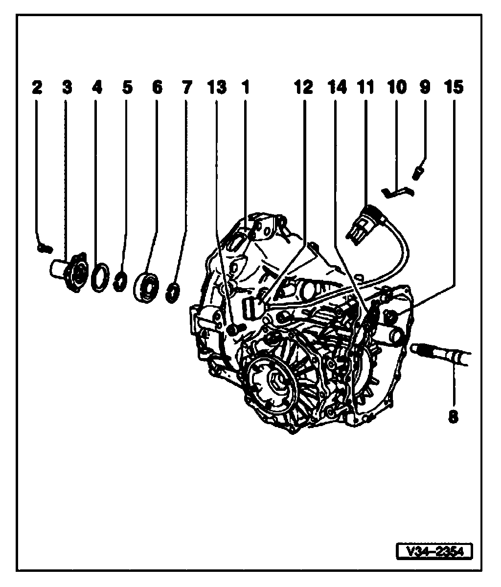
Ball Bearing For Input Shaft, Multi-Function Sensor, Input Shaft, Drive Pinion, Selector Rods and Transmission Cover, Removing


Ball bearing for input shaft and Multi-Function sensor, removing and installing





1 -Transmission housing
^ With differential and drive flanges
^ Removing and installing drive flanges
^ Removing and installing differential
^ Removing and installing sender and driving gear for speedometer
^ Installation position of bleeder valve

2 - Internal-TORX-screw - 35 Nm
^ Self-locking
^ Replace
3 - Guide bushing
^ With O-ring and oil seal for input shaft
4 - Dished washer
^ Small diameter (convex side) facing guide bushing
5 - Circlip Defining thickness go to Adjusting input shaft
6 - Ball bearing
^ Removing and installing
7 - Circlip
^ Defining thickness go to Adjusting input shaft
8 - Input shaft
^ Removing and installing
^ Disassembling and assembling
^ Adjusting
^ Servicing mounting for input shaft
9 - Bolt, 25 Nm
10 - Locking plate
^ For multi-function sensor
11 - Multi-function sensor
12 - Connector
^ For multi-function sensor
13 - Bolt, 10 Nm
14 - Cover for selector shaft
^ Removing and installing
15 - Locking unit for 5th gear and reverse gear
^ Removing and installing

Fig. 1 Installation position of bleeder valve:





Fig. 1 Installation position of bleeder valve
When pressed in, bleeder valve must protrude 21 mm out of housing.


Ball bearing for input shaft, Multi-Function sensor, pinion, selector rods, transmission cover and Torsion differential housing, removing and installing

Note:
^ The differential does not have to be removed in order to remove the above-mentioned components.
^ Removal is only necessary when adjustment work must be performed.

Special tools, testers and other items required





^ Allen key extension 3357

Special tools and workshop equipment required





^ VW 309 Holding plate
^ VW 353 Transmission support
^ 3235 Pressing-in tool
^ 3357 Allen key extension
^ V.A.G 1582 Tapered roller bearing puller
^ V.A.G 1582/2 Gripper

Special tools and workshop equipment required





^ V.A.G 1306 Drip tray





^ V.A.G 1331 Torque wrench
^ Sealant AMV 188 001 02

Removing
^ Place drip tray V.A.G 1306 under transmission.
^ Drain oil using Allen key extension 3357.





^ Clamp transmission in repair stand.

Note:
^ To protect oil seal, pull shrink down tube over splines of input shaft before pulling off guide sleeve.





- Detach clutch release lever -A- with release bearing.
- Unscrew guide sleeve -B-.
- Detach dished washer -C-.
- Remove circlip -D- in front of input shaft ball bearing.
- Make a note of thickness of circlip, if not replacing ball bearing, input shaft or transmission housing.





- Pull ball bearing of input shaft out of transmission housing.





- Remove circlip (arrow) behind input shaft ball bearing.
- Make a note of thickness of circlip, if not replacing ball bearing, input shaft or transmission housing.





- Unscrew Torsion differential housing -A- from transmission cover -B-.
- Detach spring from pinion.
- Then unscrew transmission cover -B- from transmission housing -C-.





- Remove bolts (arrows) and pull out multi-function sensor.





- Remove bolts for guide shaft (arrows).





- Unscrew detent segment (arrow) and remove by swiveling out.





- Carefully pull out input shaft -A-, pinion -B-, guide shaft -C-, selector rods -D- and selector shaft and selector forks -E- altogether.

Installing

Note: If the input shaft ball bearing, the input shaft or the transmission housing have been replaced, you must first define the thickness of the circlips for the input shaft.





- Swivel transmission housing into position as illustrated. It is then easier to insert the components mentioned below.





- Assemble input shaft -A-, pinion -B-, guide shaft -C-, selector rods -D and selector shaft and selector forks -E-.
- Insert these components in transmission housing altogether.

Note: Guide shaft -C- and selector shaft can also be inserted afterward if necessary go to illustration V34-1816.





Position of shift mechanism in transmission
1 - 5th and reverse gear selector fork
2 - 3rd and 4th gear selector fork
3 - 1st and 2nd gear selector fork
4 - Guide shaft
5 - Shifting catch
6 - Selector shaft

Note: Shown in illustration without input shaft and pinion.





- Swivel transmission housing and then engage 3rd gear (direction of arrow).





- Now insert guide shaft -A-.
- Place selector shaft -B- sideways in hole in transmission housing and join to retaining eyelet.
- Then swivel selector shaft carefully in direction of arrow.





- Next, insert detent segment and screw tight (arrow).





- Screw in bolts for guide shaft (arrows)
- Replace O-ring for multi-function sensor.





- Carefully insert multi-function sensor and screw tight (arrows).





- Check whether dowel sleeves for transmission cover -A- (arrows) are present in transmission housing -B-.
- Install transmission cover on transmission housing.





- Check whether dowel sleeves for housing -A- (arrows) are present in transmission cover -B-.
- Install spring -C-.
- Install Torsion differential housing -A- on transmission cover -B-.





- Remove rear circlip (arrow) for input shaft ball bearing.
- Push ball bearing onto input shaft.
^ Installation position: Solid side of ball cage faces transmission housing





- Press in ball bearing:
- Push thrust pad -A- of pressing-in tool onto input shaft.
- Position pressing-in tool behind splines for clutch plate.
- Pre-load bolts -B-.
^ The bolts are supported in the counterbores of the thrust pad -A-

- Press ball bearing in as far as it will go by tightening bolts alternately (1/2 turn).





- Now install front circlip -D- for input shaft ball bearing.
- Next, mount dished washer -C-.
^ Installation position: Convex side faces guide sleeve -B-

Note:
^ To protect oil seal, pull shrink down tube over splines of input shaft before pushing on guide sleeve.
^ Replace guide sleeve together with oil seal and O-ring.

- Install new guide sleeve -B- for release bearing.
- Install clutch release lever -A- and release bearing.