Curiosii for ever!: Car repair manuals for everyone.

With Generic Scan Tool



Secondary Air Injection (AIR) Pump Relay -J299- And Activation, Checking







Recommended special tools and equipment
- VAG1526A hand multimeter
- V.A.G 1527 B Voltage Tester
- VAG1594A connector test kit
- VAG1598/31 test box

Test requirements:
- Battery voltage at least 12.5 V







- Fuse for secondary air pump -S130- (40 A) in E-Box, plenum chamber (position B) OK.







- Fuse S234 (in fuse holder, position 34) OK.
- Ignition switched off.

Test sequence







- Pull off rubber seal of plenum chamber cover in direction of arrow.
- Remove cover -1- toward front.







- Pry off both covers -3- using a screwdriver.
- Loosen hex-nuts -4- by several turns.
- Loosen wiper arm -2- from wiper axle by lightly tilting.
- Remove hex nuts completely and remove wiper arms.
- Disconnect securing clips -1- and remove cowl grill -5-.







- Remove cover for E-box, plenum chamber (arrows).







- Pry off Engine Control Module (ECM) retaining bracket (arrows) using a screwdriver and set control module aside.
- If installed, unclip Transmission Control Module (TCM) retaining bracket and set control module aside.
- Connect test box to wiring harness of Engine Control Module (ECM). ECM is not connected.
- Using wires e.g. from connector test kit V.A.G 1594 A, bridge terminals 1 and 66 on test box.
- Switch ignition on.







- Secondary Air Injection (AIR) Pump Relay -2- (in E-box, plenum chamber) must engage and Secondary Air Injection (AIR) Pump Motor -V101- must run

A. Secondary Air Injection (AIR) Pump Motor runs:
- Check voltage supply of the Secondary Air Injection (AIR) pump relay.
- Check activation of the Secondary Air Injection (AIR) pump relay.

B. Secondary Air Injection (AIR) Pump Motor does not run:
- Check voltage supply of the Secondary Air Injection (AIR) pump motor.

Checking voltage supply of Secondary Air Injection (AIR) pump relay







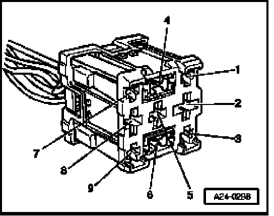
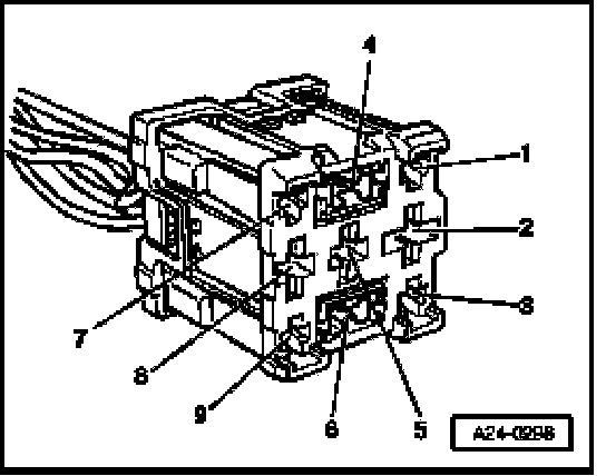
- Remove Secondary Air Injection (AIR) pump relay -2-.







- Connect multimeter for voltage measurement as follows.

Relay carrier in E-box, Measure to
plenum chamber,
position 2
Terminal

8 Engine Ground (GND)

Specified value: approx. battery voltage

If specified value is not obtained:
- Check wire connection from B+ (terminal 30) via Fuse for secondary air pump -S130- to Secondary Air Injection (AIR) Pump Relay -J299- (in relay and fuse carrier in E-Box, plenum chamber, position 3) for open circuit according to wiring diagram.

Specified value: Wire resistance max 1.5 Ohms







- Connect multimeter for voltage measurement as follows.

Relay carrier in E-box, Measure to
plenum chamber,
position 2
Terminal

4 Engine Ground (GND)

- Operate starter briefly.

Specified value: approx. battery voltage

- Switch ignition off.

If specified value is not obtained:
- Check wire connection from Secondary Air Injection (AIR) pump relay -J299- (in 3-socket relay carrier in E-box, plenum chamber) via fuse S234 (in fuse holder, position 34) to Fuel Pump (FP) relay for open circuit according to wiring diagram.

Specified value: Wire resistance max 1.5 Ohms

Check activation of the Secondary Air Injection (AIR) pump relay







- Remove Secondary Air Injection (AIR) pump relay -2-.
- Connect test box to wiring harness of Engine Control Module (ECM). ECM is not connected.







- Check the following wire connection for open circuit according to wiring diagram:

Relay carrier in E-box, Test box
plenum chamber,
position 2
Terminal Socket

6 46

Specified value: Wire resistance max 1.5 Ohms

- Check the wire for short circuit to B+ and Ground (GND).

Specified value: Infinite Ohms (no continuity)

If no malfunctions are detected:
- Replace Secondary Air Injection (AIR) pump relay -J299-.

Check voltage supply of the Secondary Air Injection (AIR) pump motor







- Remove bolts or quick-release screws -1- and -2- and remove front noise insulation.







- Disconnect electrical harness connector at Secondary Air Injection (AIR) Pump Motor -V101- (arrow).







- Connect VAG1527B voltage tester between terminals 1 and 2
- Connect test box to wiring harness of Engine Control Module (ECM). ECM is not connected.
- Bridge terminals 1 and 46 at test box using wires e.g. from V.A.G 1594 A adapter test kit.
- LED must light up.

If LED does not light up:
- Check wire connection from terminal 2 of harness connector to Secondary Air Injection (AIR) Pump Relay -J299- (in relay carrier in E-Box, plenum chamber, position 3) for open circuit according to wiring diagram.
- Check wire connection from terminal 1 of harness connector to Ground (GND) for open circuit according to wiring diagram.

Specified value: Wire resistance max 1.5 Ohms

If no malfunctions are detected:
- Replace Secondary Air Injection (AIR) pump motor-V101-.

Final procedures
After repair work, the following work steps must be performed in the mentioned sequence:
1. Check DTC memory.
2. If necessary, erase DTC memory.
3. Generate readiness code. Readiness Code, Generating

- End diagnosis and switch ignition off.